内容介绍
内容介绍
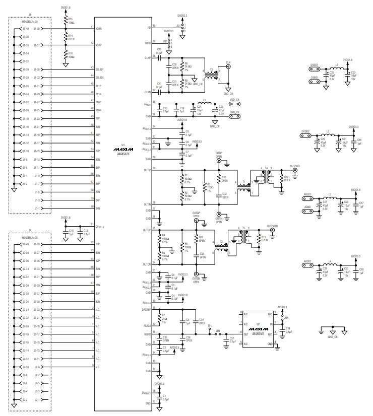
MAX5876/MAX5877/MAX5878评估板(EV kit)是一套经过全面装配和测试的印刷电路板(PCB),专为评估MAX5876(12位)、MAX5877(14位)和MAX5878(16位)数字至模拟转换器(DAC)的性能而设计。这些DAC具有250Msps的处理速度、双通道配置、交错LVDS输入、集成1.2V电压基准和差分电流输出。评估板支持LVDS兼容的数字数据输入和单端时钟输入,并可通过3.3V/1.8V双电源供电,简化了电路板的运作。此外,评估板还配备了外部1.25V电压基准电路,用于驱动DAC的输入基准电压引脚。这些评估板适用于ATE基站、通信设备如单载波/多载波UMTS、CDMA、GSM的电缆调制解调器终端系统(CMTS)、固定宽带无线接入、点到点微波通信以及直接数字合成器(DDS)设备。
附件下载
MAX5878EVKIT.pdf
评论
0 / 100
查看更多
