内容介绍
内容介绍
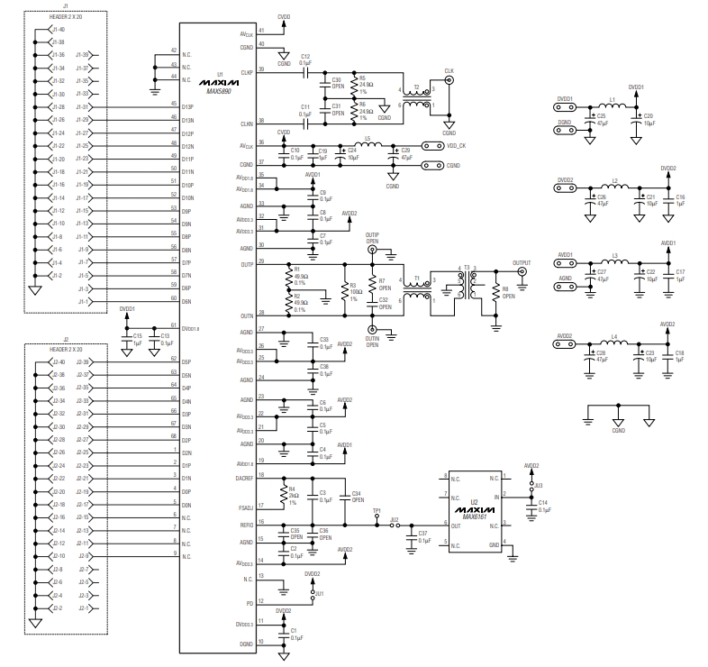
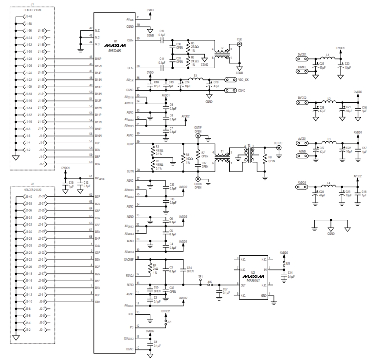
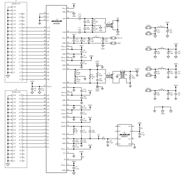
MAX5889、MAX5890和MAX5891评估板(EV kits)是经过完全组装和测试的印刷电路板(PCB),专为评估这些600Msps数字到模拟转换器(DAC)的性能而设计。这些DAC均采用LVDS输入、内置1.2V带隙基准电压和差分电流输出。尽管这三款DAC的位数不同(MAX5889为12位,MAX5890为14位,MAX5891为16位),但它们的评估板在除了DAC本身之外,均使用了相同的PCB和组件。
评估板支持LVDS兼容的数字数据输入、单端时钟输入,并采用3.3V/1.8V双电源供电,简化了板卡操作。此外,评估板还配备了差分电流到单端电压输出的转换电路,并提供外部1.25V电压基准,可用于增强内部基准电压。这些评估板适用于多种应用,包括自动测试设备(ATE)基站、单载波UMTS、CDMA、GSM电缆调制解调器终端系统(CMTS)、固定宽带无线接入、点到点微波通信、直接数字合成器(DDS)和各种仪表。
附件下载
MAX5889EVKIT-MAX5891EVKIT:Evaluation Kits for the MAX5889,MAX5890, and MAX5891 Data Sheet (Rev. 1).pdf
评论
0 / 100
查看更多
