内容介绍
内容介绍
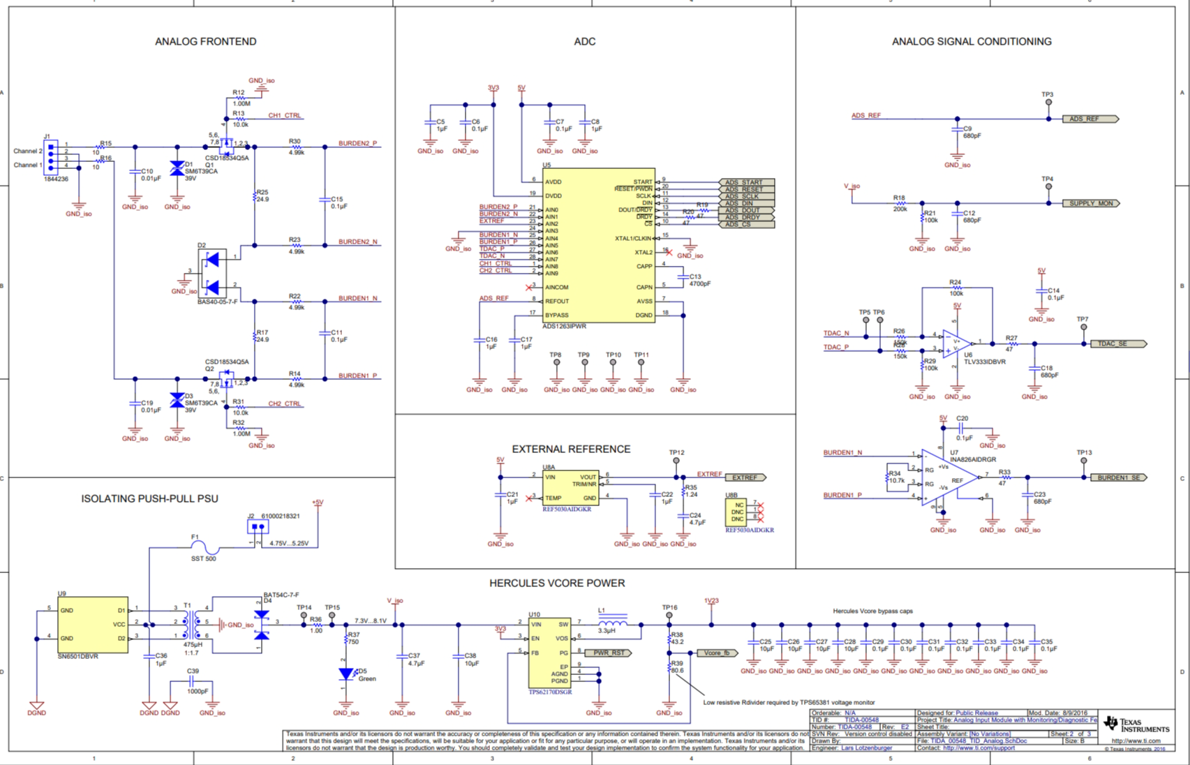
TIDA-00548 是一种隔离式双通道 4-20mA 模拟输入参考设计,可将其用作功能安全可编程逻辑控制器 (PLC) 的一部分。该参考设计使用 32 位高性能模数转换器 (ADC) 来提供数字化输入值。基于 RM4x 双核 ARM Cortex-R4 的 CPU 具备锁步技术和内置自检 (BIST) 功能,可比较最多九条可选模拟输入信号链路径的转换值。具有两个单独负载电阻器的双输入方式可对 4-20mA 的单环路或两个独立环路进行冗余测量。面向功能安全应用的基于 Hercules RM ARM Cortex-R 的 MCU 可帮助根据 IEC 61508 SIL 3 来开发系统。
特性
- 双通道 4-20mA 电流测量可实现冗余,满量程误差小于 ±0.01%
- ADC 具有两个基准(外部和内部)
- 可利用 ADC 内置功能,例如测试 DAC、次级 ADC、模拟信号电平警报、SPI CRC、超时等
- 基于 Hercules RM ARM Cortex-R 的 MCU(用于开发 IEV 61508 功能安全应用)
- 隔离器在发生故障时关闭,因此可向后端提供可靠的通知
- 所有集成电路:大于 4·10^8 的 MTBF
附件下载
Assembly drawing-TIDROI1.pdf
Bill of materials (BOM)-TIDROI0.pdf
Design Guide-ZHCU266.pdf
Gerber file-TIDCCU9.zip
PCB layout-TIDROI2.pdf
Schematic-TIDROH9.pdf
原理图PDF
全屏
评论
0 / 100
查看更多
