内容介绍
内容介绍
项目来源:MAX6695评估板/评估系统
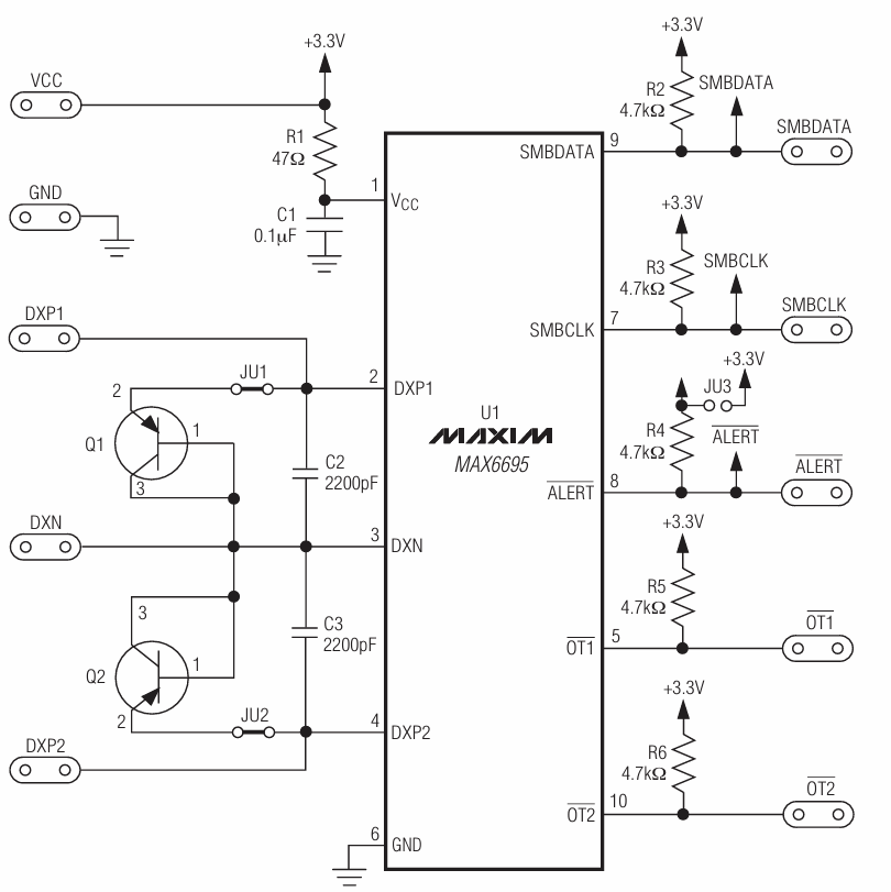
MAX6695评估板(EV kit)是一个经过完全安装和测试的PCB,搭载了MAX6695芯片。该评估板设计用于全面评估MAX6695温度监视器的性能。MAX6695能够监视自身的芯片温度以及两个以二极管形式连接的外部晶体管的结温。该器件将温度转换为11位的串行数据,并通过2线制串行总线进行访问。
评估板上焊接有两个外部晶体管(型号2N3906),它们以二极管形式连接,并且可以拆除。拆除后,评估板可以通过双绞线与待测系统中的远端二极管相连。MAX6695评估系统包括Maxim命令模块(CMOD232)和MAX6695评估板。CMOD232板连接到计算机的RS-232串行端口,提供一个由计算机控制的SMBus™/I²C总线。提供的Windows® 95/98/2000/XP兼容软件提供了一个友好的用户界面,用于演示MAX6695的功能。该程序采用菜单驱动方式,提供带有控制按钮和状态显示的图形界面。
为了基于PC全面评估MAX6695,建议订购MAX6695EVCMOD2。如果用户已经拥有SMBus接口,则可以订购MAX6695EVKIT。此评估板适用于台式计算机、笔记本电脑、服务器、测试与测量设备以及工作站。
附件下载
使用说明文件-MAX6695EVCMOD2-MAX6695EVKIT_cn.pdf
评论
0 / 100
查看更多
