内容介绍
内容介绍
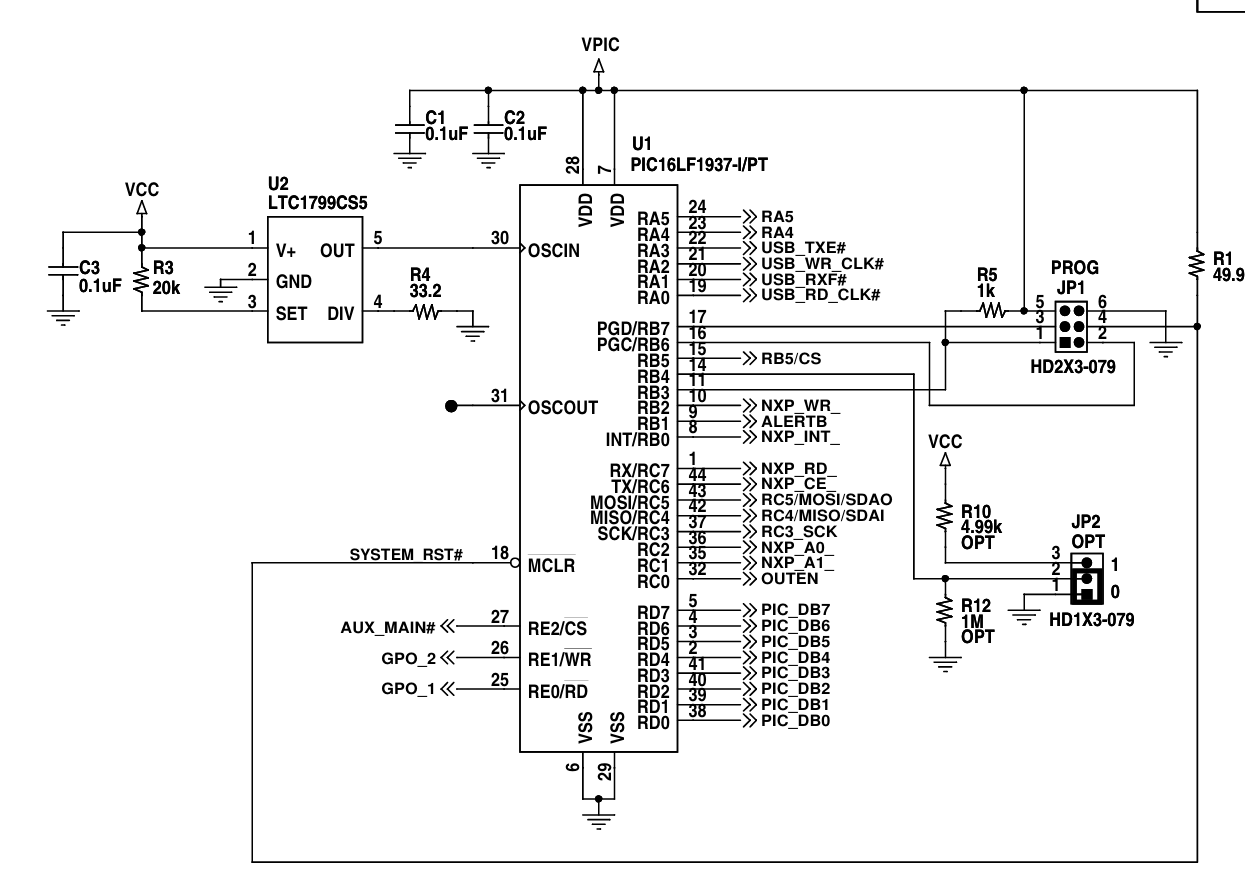
DC1613A是一款基于USB的演示电路控制器,具备I2C/SMBUS/PMBUS功能,专为与Linear Technology的LTpowerPlay™系列演示板配合使用而设计。该控制器通过USB与PC连接,并能通过12导线扁平电缆与演示板相连。DC1613A与主机PC的地线完全隔离,确保了安全性。配套的评估软件能够自动识别连接的演示板,并加载相应的控制界面。LTpowerPlay系统为用户提供了一种快速简便的方法来评估Linear Technology多种产品的性能。
附件下载
DC1613A - Schematic.pdf
DC1613A - Demo Manual.pdf
DC1613A - Design File.zip
原理图PDF
全屏
评论
0 / 100
查看更多
