内容介绍
内容介绍
项目来源:MAX15008评估板
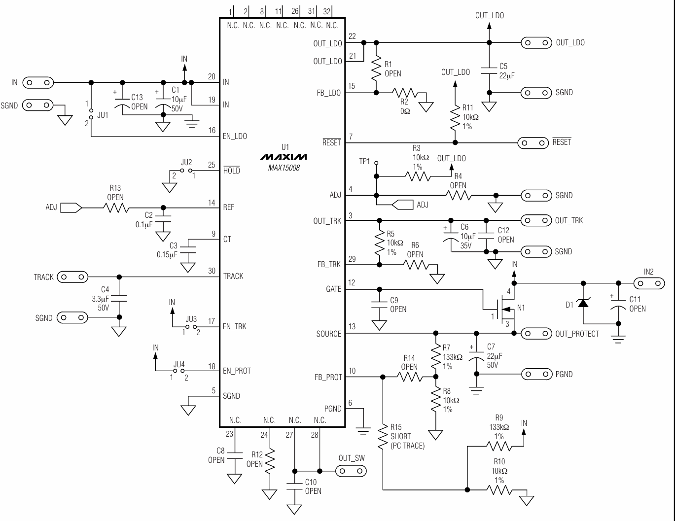
MAX15008评估板(EV kit)是一款全面组装并经过测试的印刷电路板(PCB),专门用于展示MAX15008芯片的功能。该芯片集成了可配置的低压差(LDO)稳压器、电压跟踪器和过压保护器。LDO稳压器被设置为5V输出,能够提供高达300mA的电流。电压跟踪器配置为跟踪LDO的输出电压,并能提供最多50mA的电流。过压保护器的阈值设定为17.7V。评估板还配备了一个/RESET输出信号,用于指示输出故障和正常运行状态。此外,该评估板也适用于评估MAX15009、MAX15010或MAX15011系列IC。它在AM/FM无线供电、环境控制、仪表盘多媒体、电源和远程信息处理等领域有广泛应用。
附件下载
MAX15008EVKIT Evaluation Kit for the MAX15008 Data Sheet (Rev. 0).pdf
评论
0 / 100
查看更多
