内容介绍
内容介绍
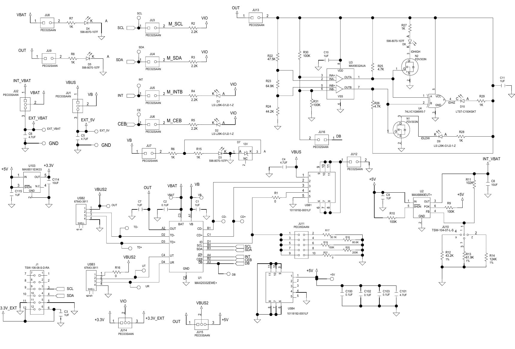
项目来源:MAX20332 评估板
MAX20332评估板(EV kit)是一款全面装配并经过测试的印刷电路板(PCB),专门用于评估MAX20332 USB充电器检测集成电路,该器件集成了过压保护功能。该评估板配备了Pmod™连接器,允许通过USB2PMB2适配器板提供I2C接口。此外,评估板还内置了LDO(低压差线性稳压器),能够从USB +5V电压产生所需的电源电压,并且LDO输出电压可配置为4.2V、3.3V或2.3V,以供电给集成电路。评估软件通过USB接口控制USB2PMB2适配器板,生成I2C指令,从而实现对MAX20332的全面评估。该评估板适用于DSC(数字存储相机)、便携式摄像机、电子书阅读器、智能手机、平板电脑和PC等多种设备。
附件下载
MAX20332EVKITEvaluation Kit for the MAX20332 Data Sheet (Rev. 0).pdf
评论
0 / 100
查看更多
