内容介绍
内容介绍
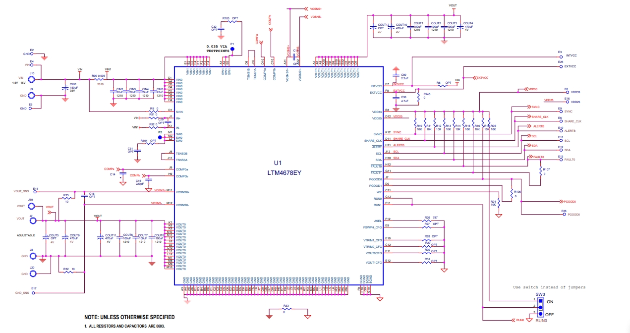
演示电路2638A-C是一款高效率、高密度的μModule®稳压器参考设计,适用于4.5V至16V的宽输入电压范围。它能够提供0.5V至3.3V的可调节输出电压,并支持最大200A的负载电流。该电路板集成了四个LTM4678 μModule®稳压器,每个稳压器能够提供双路25A或单路50A的输出。LTM4678具备PMBus电源系统管理功能,允许通过串行通信进行高级配置和监控。DC2638A-C电路板上电后,可以根据配置电阻自动产生功率,无需复杂的串行总线通信,便于用户快速评估DC/DC转换器性能。为了充分利用器件的电源系统管理功能,用户可以下载LTpowerPlay® GUI软件到PC,并配合ADI公司的I2C/SMBus/PMBus加密狗DC1613A连接到电路板。LTpowerPlay软件使用户能够重新配置器件,将配置存储在EEPROM中,并实时监控电压、电流、温度和故障状态。更多关于LTpowerPlay的信息和使用指南,请参阅《LTM4678的LTpowerPlay GUI快速入门指南》。
附件下载
DC2638A - Schematic.pdf
DC2638A-C - Demo Manual (Rev. 0).pdf
DC2638A - Design Files (4).zip
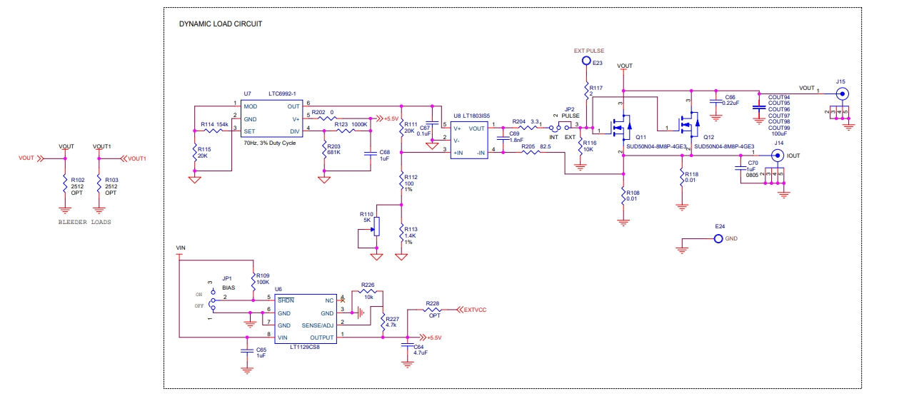
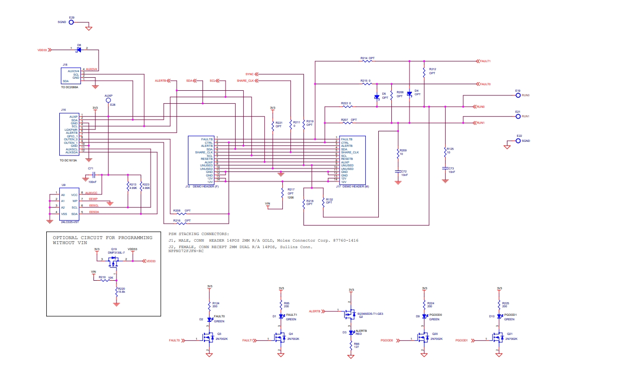
原理图PDF
全屏
评论
0 / 100
查看更多
