内容介绍
内容介绍
TIDA-00987 是一款适用于需要数据传输的汽车媒体端口的参考设计。此设计能够通过 15W USB Type-C 端口支持 USB 2.0 和 USB 3.0 数据。通过利用包含符合 AEC-Q100 标准的经过 CISPR 25 5 类测试的模拟集成电路 (IC) 在内的完整参考设计,客户可加快其媒体端口系统速度。此设计打造了一款可靠灵活的解决方案,可让系统在 1 x 2.5 英寸小型解决方案内为 USB Type-C 和传统器件充电。
特性
- LM74610-Q1 智能二极管可仿真理想的二极管整流器,并在反极性情况下为下游器件提供保护。
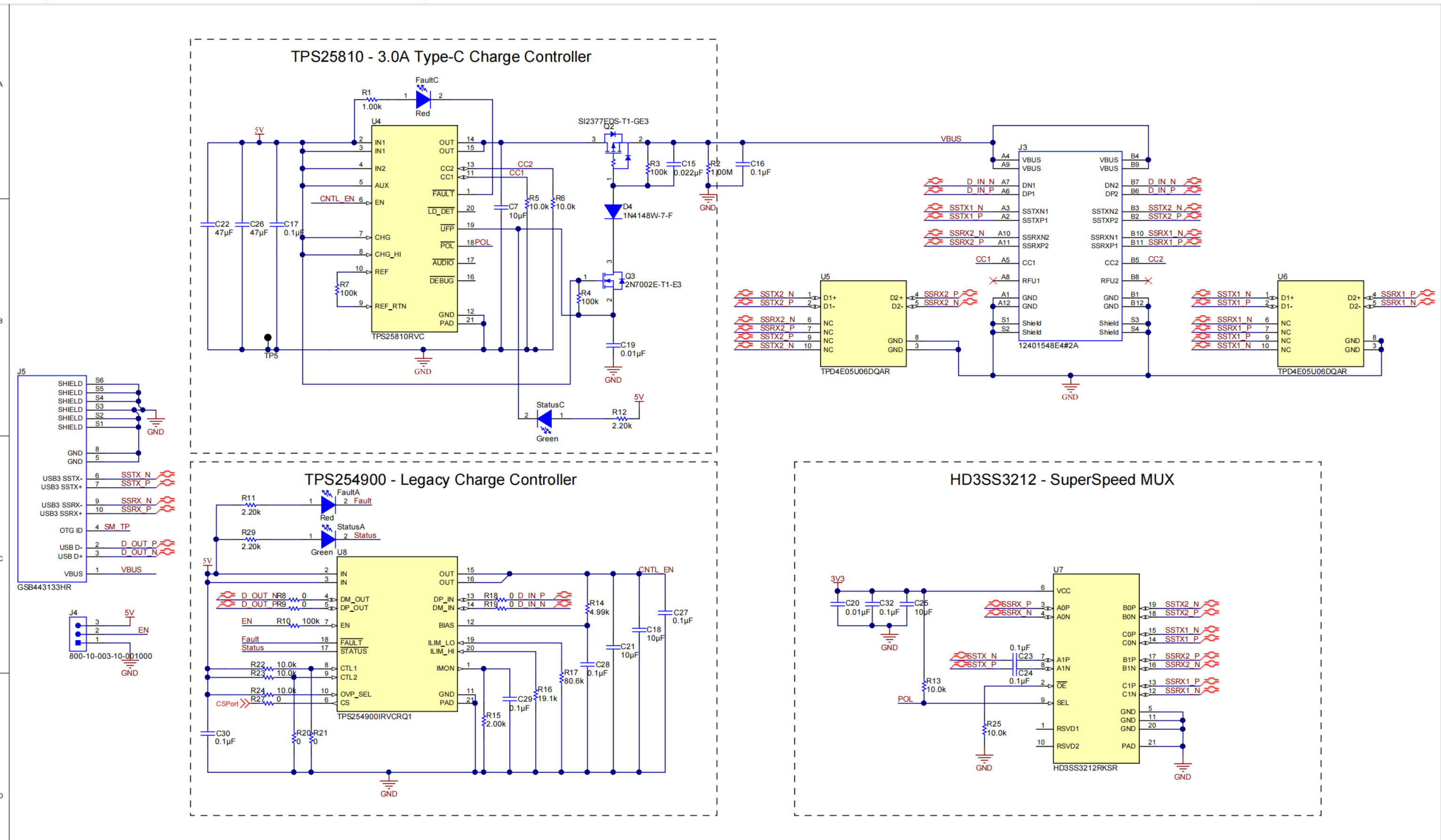
- TPS25810-Q1 和 TPS254900-Q1 分别为 CC1/CC2 和 D+/D- 线路提供协商,从而为 USB Type-C 或传统下游器件充电。
- 小型解决方案尺寸,基于典型媒体接口板尺寸(2.5 x 1 英寸)。
- 此系统中的组件提供了针对高达 40V 输入瞬态电压的电池短路保护和负载突降保护。
- 通过将 HD3SS3212 与 TPD4E05U06-Q1 和经过优化的布局相结合,此设计展现了 SuperSpeed 与 USB Type-C 连接器之间的兼容性,而不会发生信号劣化。
- 汽车级 LM53635-Q1 可通过其独特的 Hotrod 封装来优化电源,并减少寄生效应,以便缓解 EMI 而又不干扰调幅或调频频带频率。
附件下载
Assembly drawing-TIDRND2.pdf
Bill of materials (BOM)-TIDRND1.pdf
Design Guide-TIDUC55A.pdf
Gerber file-TIDCCK4.zip
PCB layout-TIDRND3.pdf
Schematic-TIDRND0A.pdf
原理图PDF
全屏
评论
0 / 100
查看更多
