MAX9092双路比较器评估板
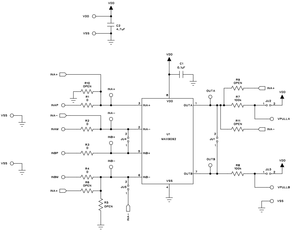
MAX9092评估板(EV kit)是一个经过验证的电路设计,专为评估MAX9092双路比较器而设计。用户可以通过安装跳线和更换少量元件,轻松配置评估板以支持多种比较器应用,包括窗口检测器和脉宽调制(PWM)发生器。板载提供了0603封装元件的PCB焊盘,以便进行评估。该评估板能够在+1.8V至+5.5V的VDD电源范围内工作。评估板预装有MAX9092AKA+芯片,若需要引脚兼容的MAX9093AKA+,需联系工厂获取。此评估板适用于汽车电池供电产品、通用低压应用、便携式设备、移动通信、笔记本电脑和PDA等多种应用场景。
标签
模拟信号调理
评估板
信号比较
比较器
Analog Devices Inc.
更新2024-08-26
14

内容介绍

MAX9092评估板(EV kit)是一个经过验证的电路设计,专为评估MAX9092双路比较器而设计。用户可以通过安装跳线和更换少量元件,轻松配置评估板以支持多种比较器应用,包括窗口检测器和脉宽调制(PWM)发生器。板载提供了0603封装元件的PCB焊盘,以便进行评估。该评估板能够在+1.8V至+5.5V的VDD电源范围内工作。评估板预装有MAX9092AKA+芯片,若需要引脚兼容的MAX9093AKA+,需联系工厂获取。此评估板适用于汽车电池供电产品、通用低压应用、便携式设备、移动通信、笔记本电脑和PDA等多种应用场景。

软硬件
元器件
MAX9092AKA+
通用、低压、双/四通道、微小封装比较器引脚兼容于LMV393、LMV339工业标准器件的升级产品
附件下载
MAX9092EVKIT Evaluation Kit for the MAX9092 and MAX9093 Data Sheet (Rev. 0).pdf
评论
0 / 100
查看更多
硬禾服务号
关注最新动态
0512-67862536
info@eetree.cn
江苏省苏州市苏州工业园区新平街388号腾飞创新园A2幢815室
苏州硬禾信息科技有限公司
Copyright © 2024 苏州硬禾信息科技有限公司 All Rights Reserved 苏ICP备19040198号