内容介绍
内容介绍
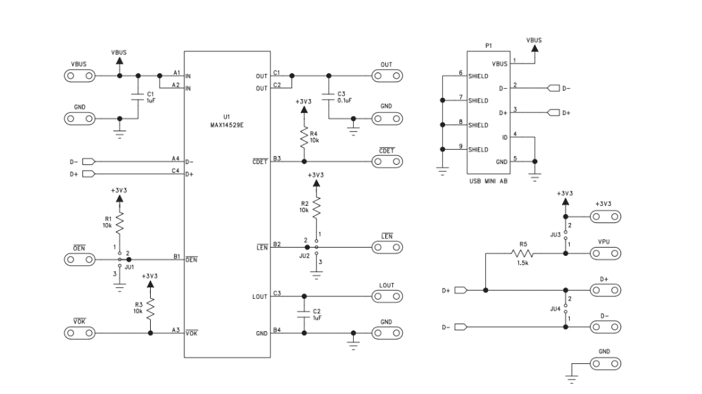
项目来源:MAX14529E评估板
MAX14529E评估板(EV kit)是一个完备的测试电路板,集成了所有评估MAX14529E IC所需的组件。MAX14529E是一款集成了低压差(LDO)稳压器、ESD保护以及USB充电检测功能的过压保护控制器。该评估板通常在由USB VBUS提供的5V直流电压下工作,并且能够通过系统输入/输出电压(VIO)获取3.3V的上拉电压。它适用于多种便携式设备,如蜂窝电话、MP3播放器、PDA和掌上电脑等。
附件下载
MAX14529EEVKIT:MAX14529E评估板 Data Sheet (Rev.1).pdf
评论
0 / 100
查看更多
