内容介绍
内容介绍
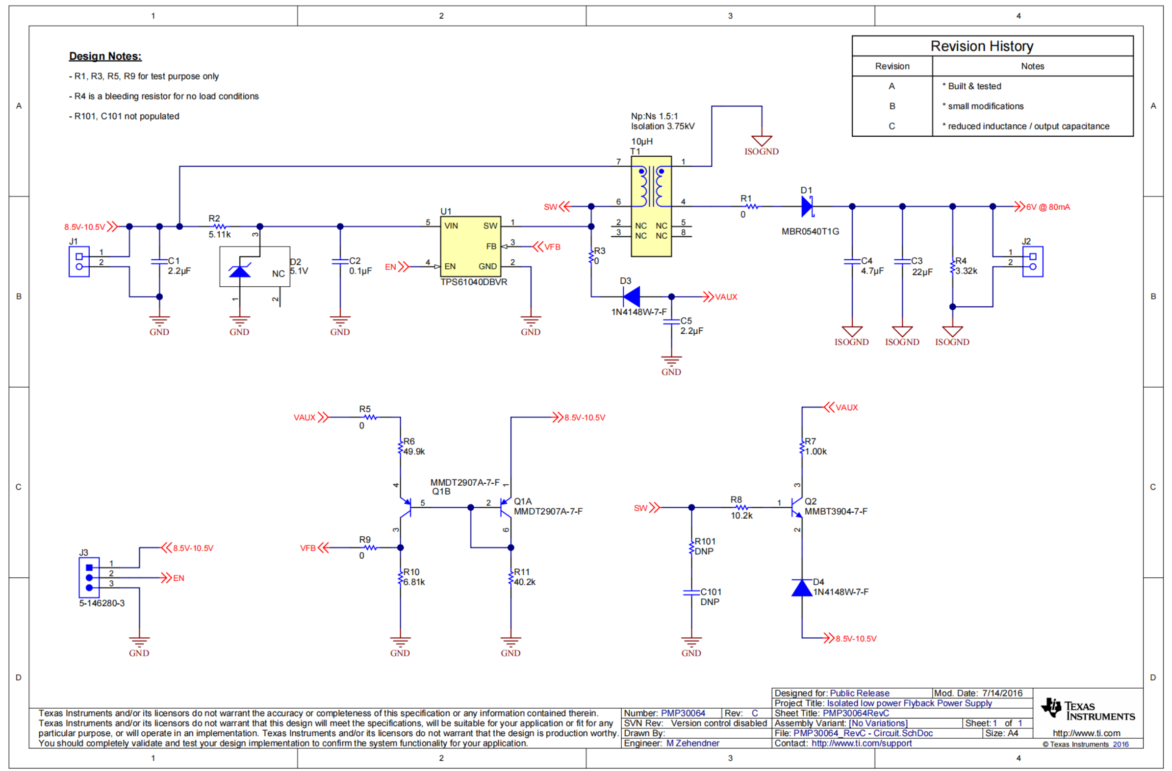
项目来源:低功耗隔离式反激参考设计
该电源参考设计可将 8.5 - 10.5V 输入电压转换为 6V 隔离输出电压,最大负载电流为 80mA。
特性
- 良好的负载调节能力
- 初级侧调节
- 无需额外的变压器绕组
- 无需光耦合器
- 构建并测试
附件下载
Assembly drawing-TIDRMV1.pdf
Bill of materials (BOM)-TIDRMV0.pdf
Gerber file-TIDCCG2.zip
PCB layout-TIDRMV2.pdf
Schematic-TIDRMU9.pdf
原理图PDF
全屏
评论
0 / 100
查看更多
