内容介绍
内容介绍
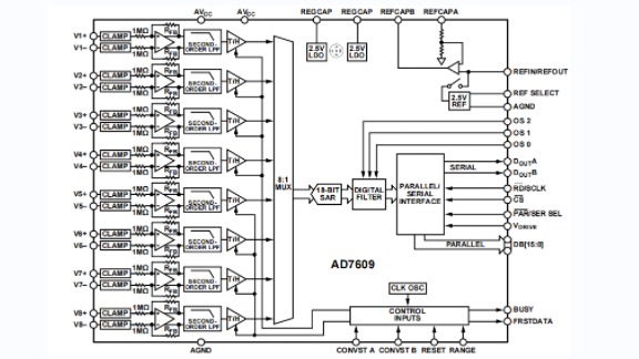
项目来源:AD7609 评估板
EVAL-AD7609EDZ 是针对 AD7609 的功能完备的评估套件。该评估板以独立模式运行或与转换器评估和开发板 EVAL-CED1Z 结合使用。与转换器评估和开发板结合使用时,用户可通过提供的软件对该 ADC 的性能进行详细分析。该软件附带技术说明,其中描述了独立运行或与转换器评估和开发板结合使用时对评估板的操作和设置。
附件下载
AD7609 8 Channel Differential DAS with 18 Bit,Bipolar, Simultaneous Sampling ADC Data Sheet(Rev.D).pdf
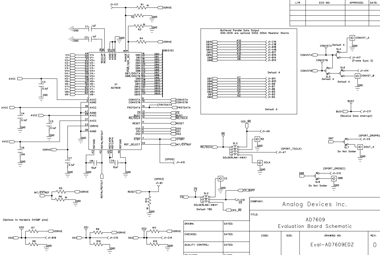
EVAL-AD7609 Schematic.pdf
原理图PDF
全屏
评论
0 / 100
查看更多
