内容介绍
内容介绍
项目来源:AD7708 评估套件
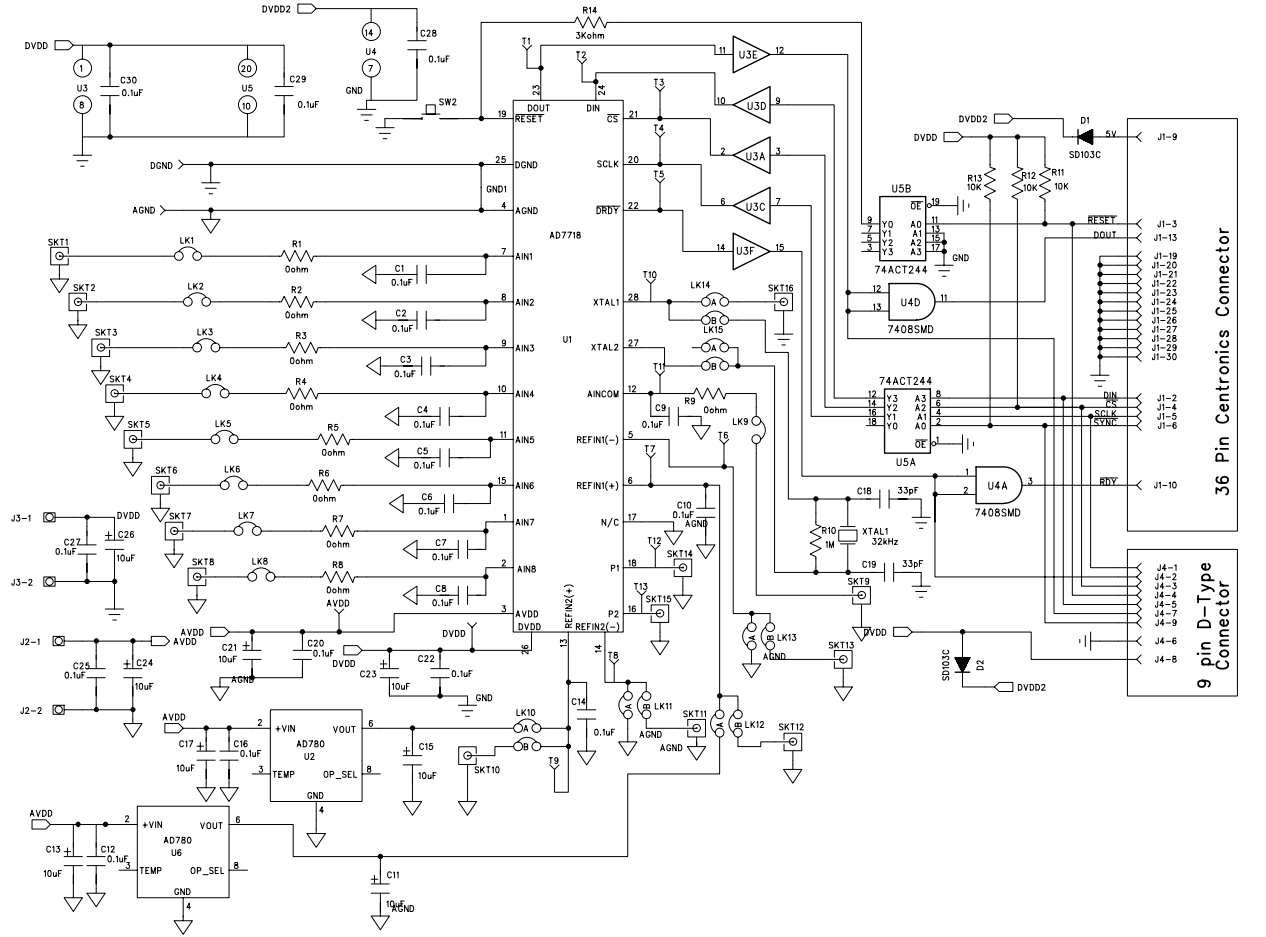
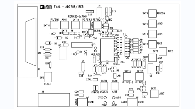
AD7708评估板是一个为低频测量应用设计的完整模拟前端,采用16位Sigma-Delta模数转换技术,提供高精度的模拟信号数字化。板上集成了多种链接选项和数字缓冲器,允许用户轻松编程AD7708。评估板还包括两个AD780精密2.5V参考源、一个32.7680 kHz晶体振荡器,以及用于与PC通信的数字缓冲器。软件支持通过IBM兼容PC的并行端口进行控制,具有数据读取、显示、存储和噪声分析等功能。
软硬件
元器件
附件下载
EVAL-AD7708EB Evaluation Board Documentation.pdf
评论
0 / 100
查看更多



