内容介绍
内容介绍
项目来源:ADM1166评估板V
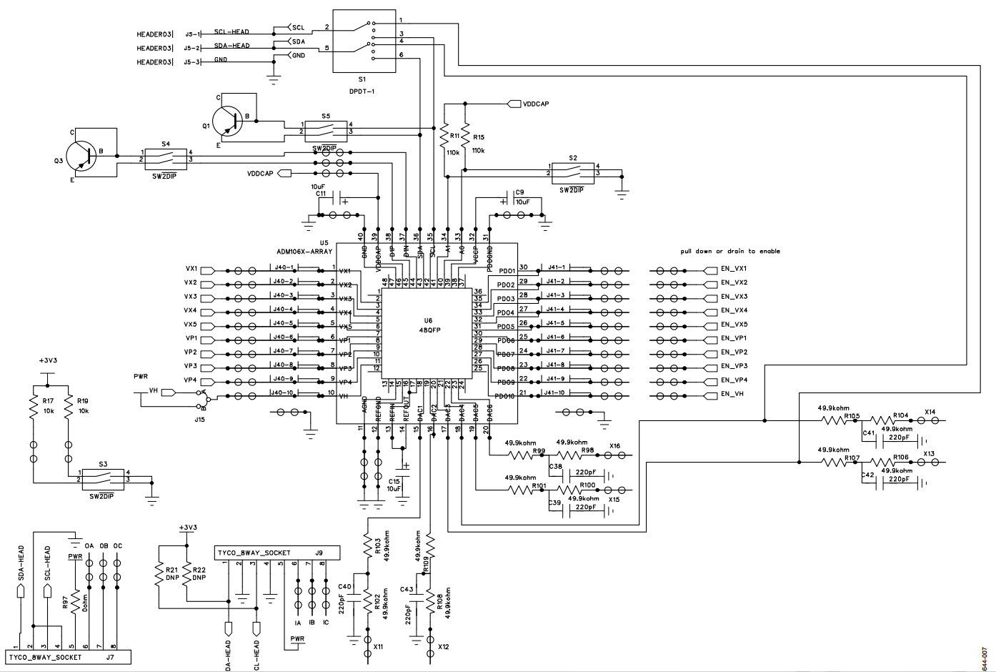
EVAL-ADM1062TQEBZ 至 EVAL-ADM1169LQEBZ 评估板配备了多种元件,包括用于模拟不同输入电压的十个可调节电压调节器(LDO),这些调节器均来自Analog Devices公司。每个调节器都可以通过板上的旋转电位器手动独立调节输出电压。评估板还包括用于数字输入仿真的开关控制,以及用于连接外部设备的插座和跳线。此外,评估板支持多板级联设置,允许多个评估板连接在一起,以评估复杂的级联序列设置。
附件下载
UG-063 ADM1062 to ADM1069 Evaluation Board User Guide.pdf
UG-049 ADM1062 to ADM1069 Software Tool User Guide.pdf
Automatic Generation of ADM106x State Diagrams using Graphviz.pdf
评论
0 / 100
查看更多
