AD7853 评估板
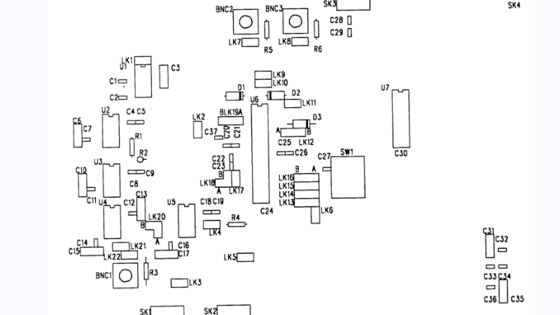
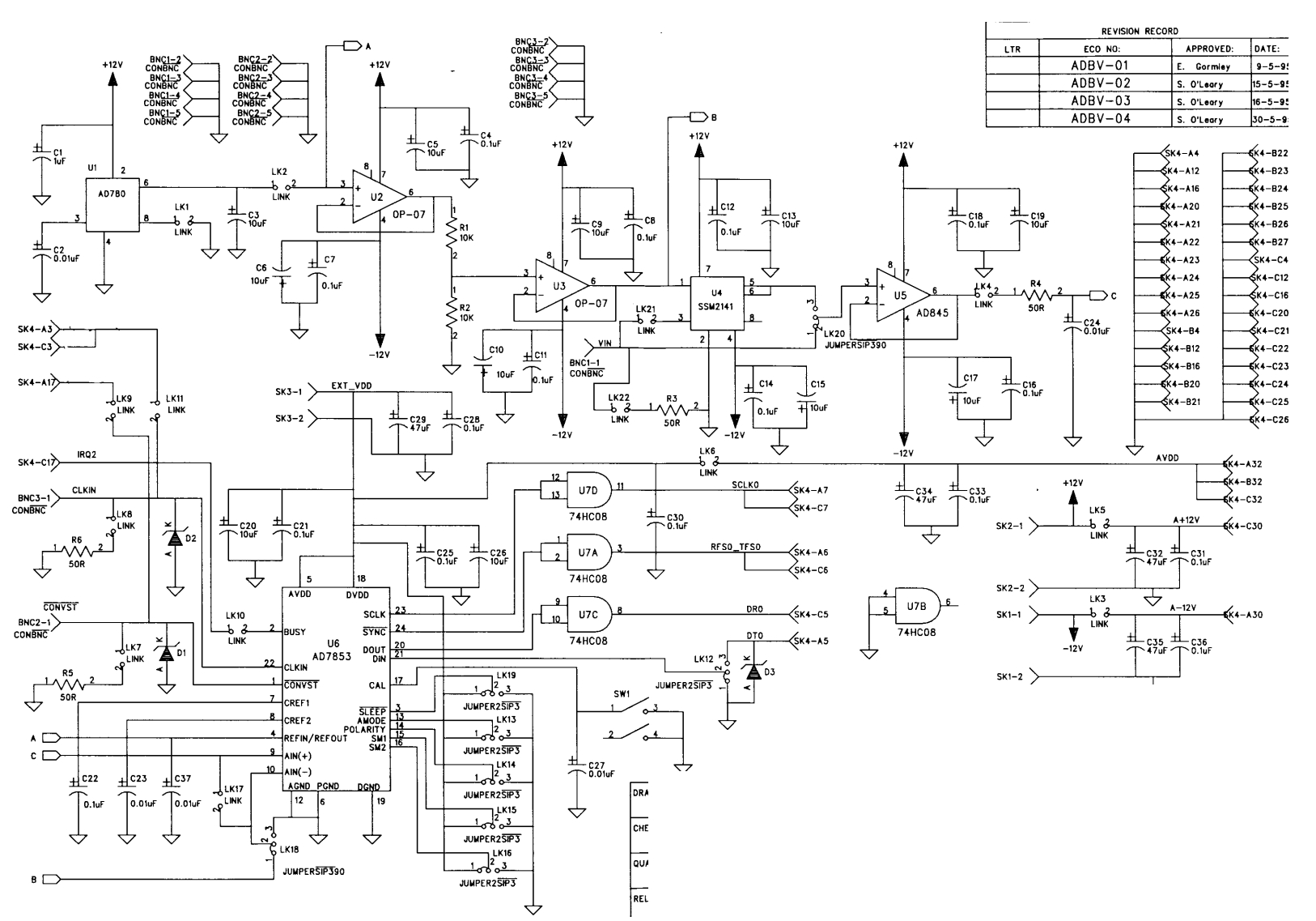
本文档提供了关于EVAL-AD7853评估板的详细信息,包括产品说明和订购指南。EVAL-AD7853是一款评估板,专为Analog Devices的AD7853 12位模数转换器(ADC)设计。它支持3V至5V的电源输入,与3.3V和5V系统兼容,并具备板上参考和数字缓冲器以及多种连接选项。此外,该评估板还可以与EVAL-CONTROL BOARD配合使用,提供更全面的评估和控制功能。
标签
评估板
信号处理与数据转换
模数转换器(ADC)
Analog Devices Inc.
更新2024-11-29
10

内容介绍

项目来源:AD7853 评估板

本文档提供了关于EVAL-AD7853评估板的详细信息,包括产品说明和订购指南。EVAL-AD7853是一款评估板,专为Analog Devices的AD7853 12位模数转换器(ADC)设计。它支持3V至5V的电源输入,与3.3V和5V系统兼容,并具备板上参考和数字缓冲器以及多种连接选项。此外,该评估板还可以与EVAL-CONTROL BOARD配合使用,提供更全面的评估和控制功能。

软硬件
元器件
74HC08N
4 通道、2 输入、2V 至 6V、5.2mA 驱动强度和栅极
AD7804BRZ
+3.3 V至+5 V、四通道/八通道10位DAC
AD845AQ
精密16 MHz CBFET运算放大器
OP-07DP
低失调电压 (0.15mV) 单通道运算放大器
附件下载
使用说明文件-EVAL-AD7853.pdf
评论
0 / 100
查看更多
硬禾服务号
关注最新动态
0512-67862536
info@eetree.cn
江苏省苏州市苏州工业园区新平街388号腾飞创新园A2幢815室
苏州硬禾信息科技有限公司
Copyright © 2024 苏州硬禾信息科技有限公司 All Rights Reserved 苏ICP备19040198号