内容介绍
内容介绍
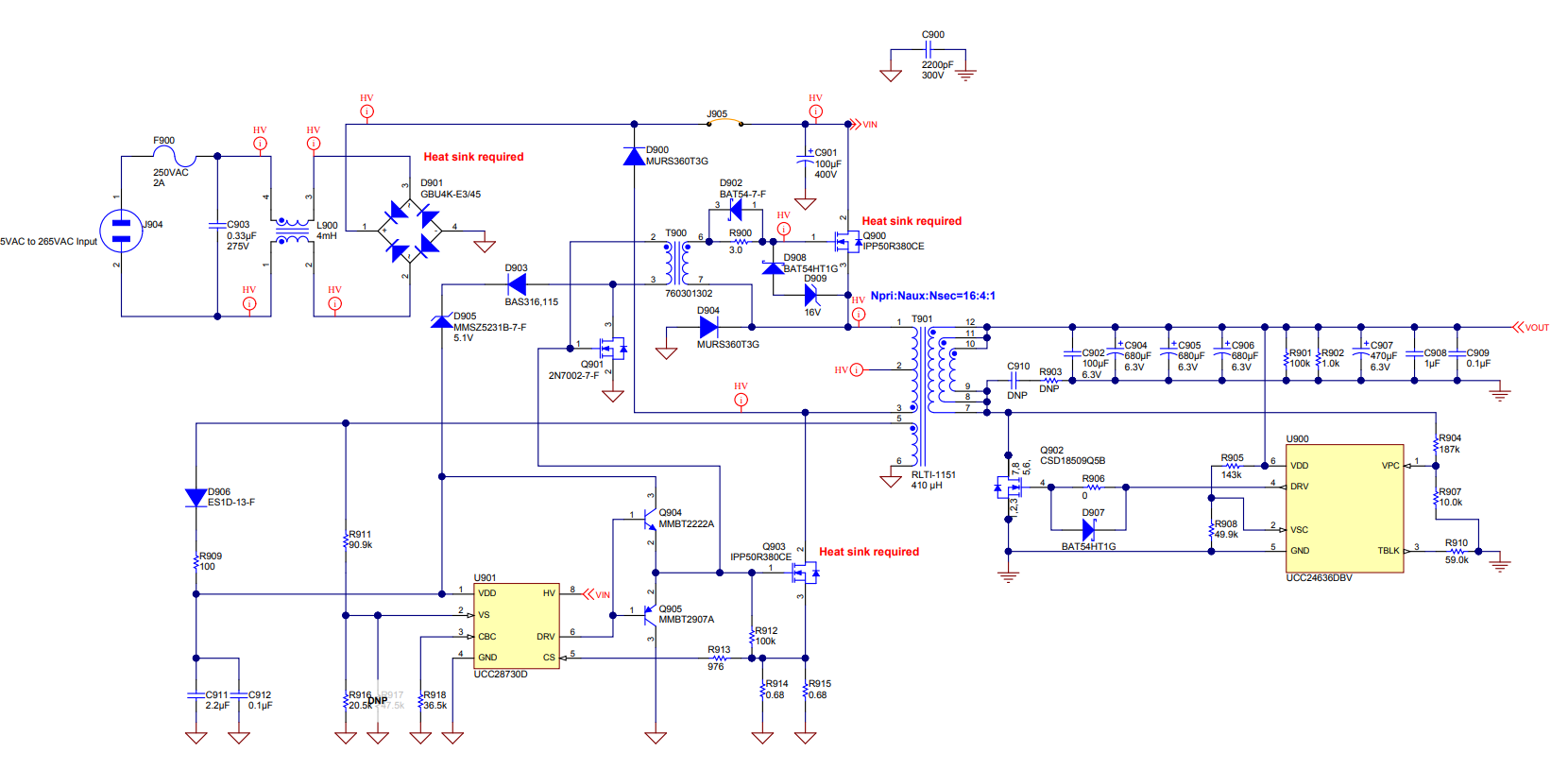
PMP11232 是基于 UCC28730 初级侧调节 (PSR) 控制器的准谐振反激式电源。通过使用 PSR 拓扑从而省去光耦合器,可有效提升可靠性并降低系统成本。此设计可实现小于 40mW 的待机功率损耗以及超过 89.5% 的平均效率。此设计还采用 UCC2463x 同步整流控制器。
特性
- 85VAC 至 265VAC,50/60Hz 输入,5V/6A/30W 输出
- 超过 90% 的平均 4 点效率(具有 120VAC 输入)
- 超过 89.5% 的平均 4 点效率(具有 230VAC 输入)
- 包含 EMI 测试数据
- 待机功率损耗小于 40mW
- 输出短路保护
附件下载
Assembly drawing-TIDRGK1.pdf
Bill of materials (BOM)-TIDRGK0A.pdf
Gerber file-TIDCAS6.zip
PCB layout-TIDRGK2.pdf
Schematic-TIDRGJ9A.pdf
原理图PDF
全屏
评论
0 / 100
查看更多
