内容介绍
内容介绍
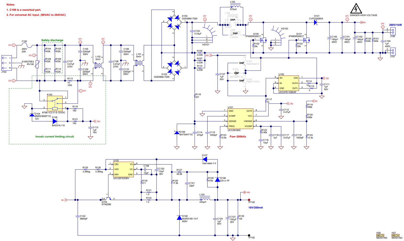
PMP11211 参考设计使用 UCC28180 CCM PFC 控制器,从通用交流输入生成 380V/1kW 输出。此外,UCC28722 PSR 控制器还在该设计中用作偏置电源。在 120VAC/60Hz 输入下可实现超过 94% 的峰值效率,在 230VAC/50Hz 输入下可实现超过 97% 的效率(开关频率为固定的 200kHz)。
特性
- 连续导通模式升压功率因数稳压器
- 开关频率为 200kHz
- 在 120VAC/60Hz 的情况下具有 94% 的峰值效率
- 在 230VAC/50Hz 的情况下具有 97% 的峰值效率
- 包含传导 EMI 测试结果
附件下载
Assembly drawing-TIDRLQ1.pdf
Bill of materials (BOM)-TIDRLQ0.pdf
Gerber file-TIDCC60.zip
PCB layout-TIDRLQ2.pdf
Schematic-TIDRLP9.pdf
原理图PDF
全屏
评论
0 / 100
查看更多
