MAX5417L数字电位器评估板与CMODUSB接口套件
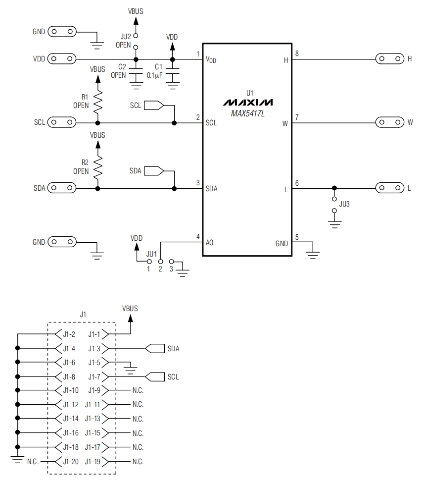
MAX5417L评估系统由两部分组成:MAX5417L评估板(EV kit)和配套的命令模块接口电路板(CMODUSB)。该评估板是一块经过全面安装和测试的PCB板,专门用于评估具有50kΩ线性变化的数字电位器MAX5417L。这款IC拥有内部非易失性EEPROM,用以记忆电位器滑动端的初始位置,确保上电时能恢复该位置。通过高速I²C兼容的串行接口,用户可以对EEPROM进行编程设置,最高传输速率可达400kbps。MAX5417L评估板支持两个唯一的地址编程,以适应不同的应用需求。此外,该评估板同样适用于评估MAX5417、MAX5418(100kΩ)和MAX5419(200kΩ)数字电位器。 评估板配备了兼容Windows 98/2000/XP的软件,提供了一个友好的用户界面,通过图形用户界面(GUI)展示MAX5417L的功能,包括菜单驱动的操作和控制按钮等。CMODUSB命令模块允许用户通过PC的USB接口模拟I²C 2线接口,实现对评估板的控制。如果用户已经拥有CMODUSB命令模块或I²C兼容接口模块,仅需定购MAX5417LEVKIT即可。MAX5417L评估板适用于多种应用,如液晶显示器(LCD)对比度控制、低偏差可编程增益放大器、替代机械电位器的音量控制等。
标签
传感与测量
电参数感知与测量
评估系统
Analog Devices Inc.
更新2024-10-08
13

内容介绍

MAX5417L评估系统由两部分组成:MAX5417L评估板(EV kit)和配套的命令模块接口电路板(CMODUSB)。该评估板是一块经过全面安装和测试的PCB板,专门用于评估具有50kΩ线性变化的数字电位器MAX5417L。这款IC拥有内部非易失性EEPROM,用以记忆电位器滑动端的初始位置,确保上电时能恢复该位置。通过高速I²C兼容的串行接口,用户可以对EEPROM进行编程设置,最高传输速率可达400kbps。MAX5417L评估板支持两个唯一的地址编程,以适应不同的应用需求。此外,该评估板同样适用于评估MAX5417、MAX5418(100kΩ)和MAX5419(200kΩ)数字电位器。

评估板配备了兼容Windows 98/2000/XP的软件,提供了一个友好的用户界面,通过图形用户界面(GUI)展示MAX5417L的功能,包括菜单驱动的操作和控制按钮等。CMODUSB命令模块允许用户通过PC的USB接口模拟I²C 2线接口,实现对评估板的控制。如果用户已经拥有CMODUSB命令模块或I²C兼容接口模块,仅需定购MAX5417LEVKIT即可。MAX5417L评估板适用于多种应用,如液晶显示器(LCD)对比度控制、低偏差可编程增益放大器、替代机械电位器的音量控制等。

软硬件
元器件
MAX5417LETA+
256抽头、非易失、I²C接口数字电位器业内尺寸最小的256抽头电位器,3mmx3mmTDFN封装
附件下载
MAX5417LEVKIT_cn MAX5417_MAX5418_和MAX5419_评估板评估系统 Data Sheet (Rev. 0).pdf
评论
0 / 100
查看更多
硬禾服务号
关注最新动态
0512-67862536
info@eetree.cn
江苏省苏州市苏州工业园区新平街388号腾飞创新园A2幢815室
苏州硬禾信息科技有限公司
Copyright © 2024 苏州硬禾信息科技有限公司 All Rights Reserved 苏ICP备19040198号