内容介绍
内容介绍
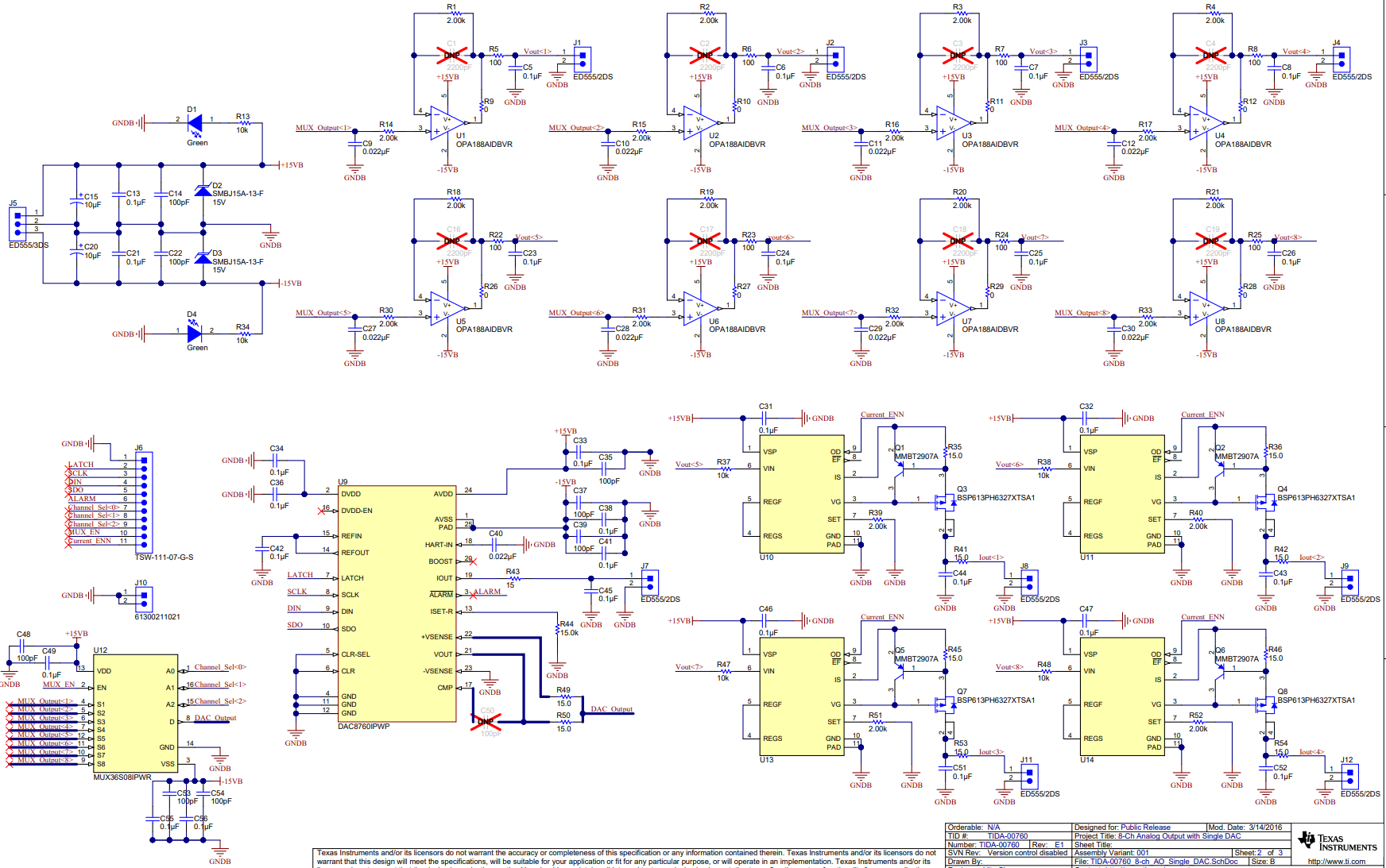
该适用于可编程逻辑控制器 (PLC) 的多通道模拟输出模块 TI 参考设计具有多路复用单通道模数转换器 (ADC),演示了基于顺序多路复用采样保持缓冲器的低成本、高速、小型化和高分辨率 PLC 模拟输出模块的设计。
特性
- 多路复用 8 输出通道模块:4 通道电压输出;4 通道电流输出
- 单通道 16 位 DAC (DAC8760)
- 有效的分辨率:电压输出 15 位;电流输出 14 位
- 可配置的输出范围:电压输出:±10V、0-10V、±5V、0-5V;电流输出:0-20mA、4-20mA、0-24mA
- 未校准的输出精度:±0.2% FS (25 °C);±0.5% FS(-40 °C 至 85 °C)电池电压监视器
- 扫描时间:对于 8 个通道为 6ms(转换时间:750μs/通道)
附件下载
Assembly drawing-TIDRKX4.pdf
Bill of materials (BOM)-TIDRKX3.pdf
Gerber file-TIDCBY5.zip
PCB layout-TIDRKX5.pdf
PCB layout-TIDRKX6.pdf
Reference Guide-ZHCU136A.pdf
Schematic-TIDRKX2.pdf
原理图PDF
全屏
评论
0 / 100
查看更多
