内容介绍
内容介绍
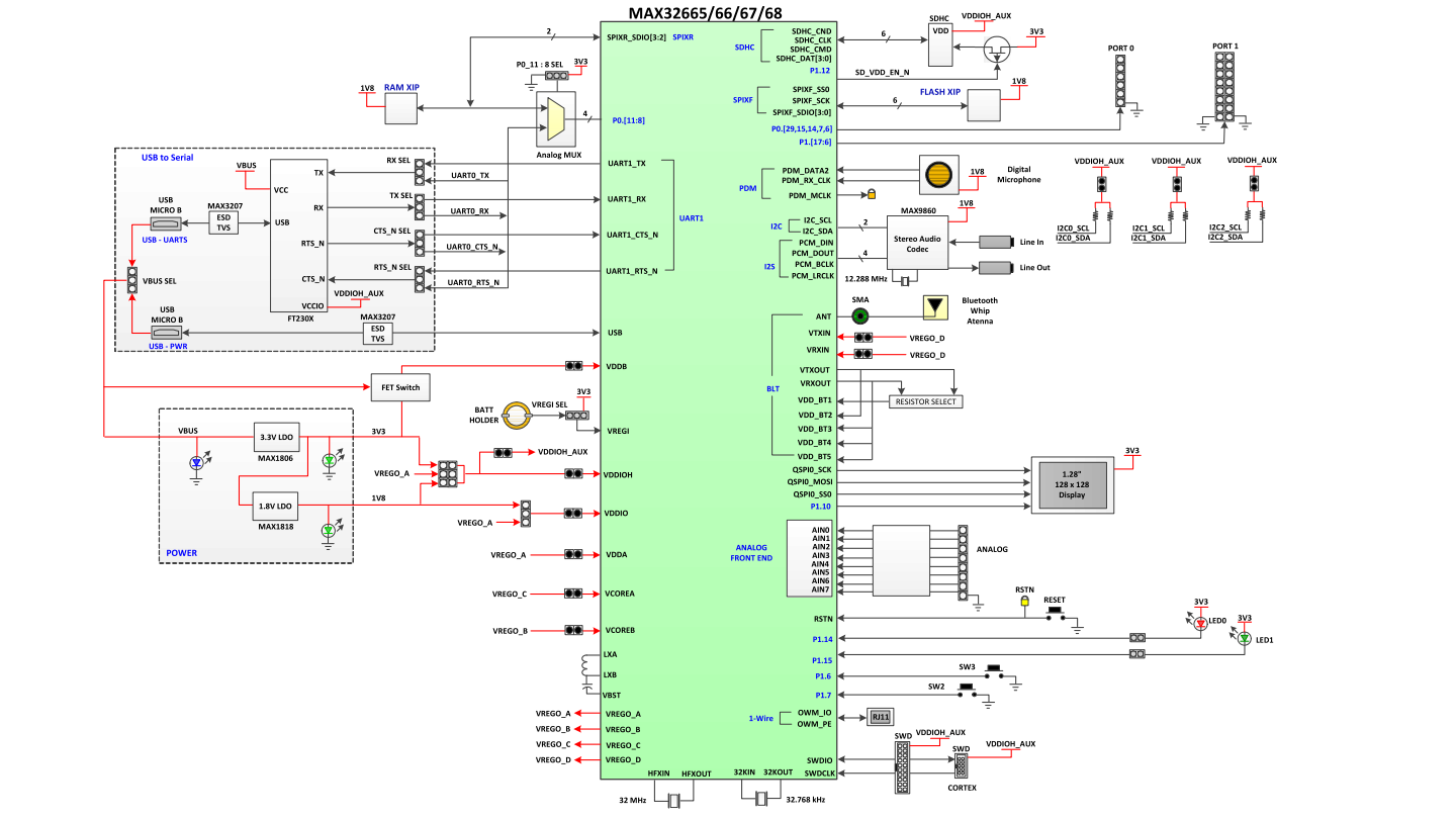
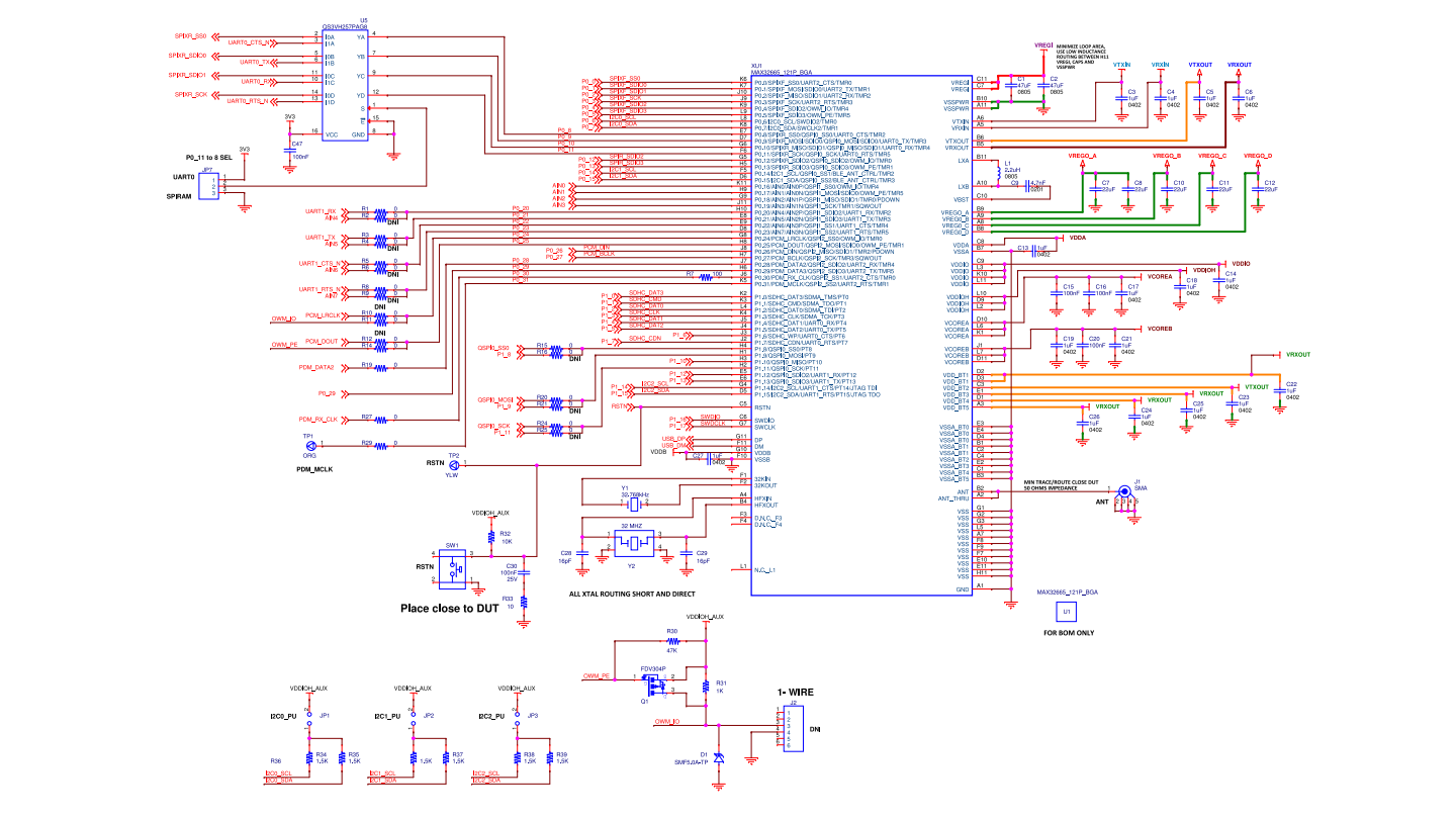
- MAX32665/MAX32666评估套件是专为高效Arm®微控制器和音频DSP设计的,这些器件适用于可穿戴和耳戴式设备应用。该评估套件提供了一个平台,用于评估MAX32665和MAX32666芯片的能力。
附件下载
MAX32665EVKIT-MAX32666EVKIT:Evaluation Kit for theMAX32665/MAX32666/MAX32667/MAX32668 Data Sheet (Rev. 5).pdf
UG-6245:Getting Started with Eclipse.pdf
评论
0 / 100
查看更多
