内容介绍
内容介绍
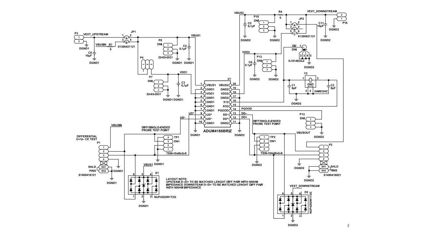
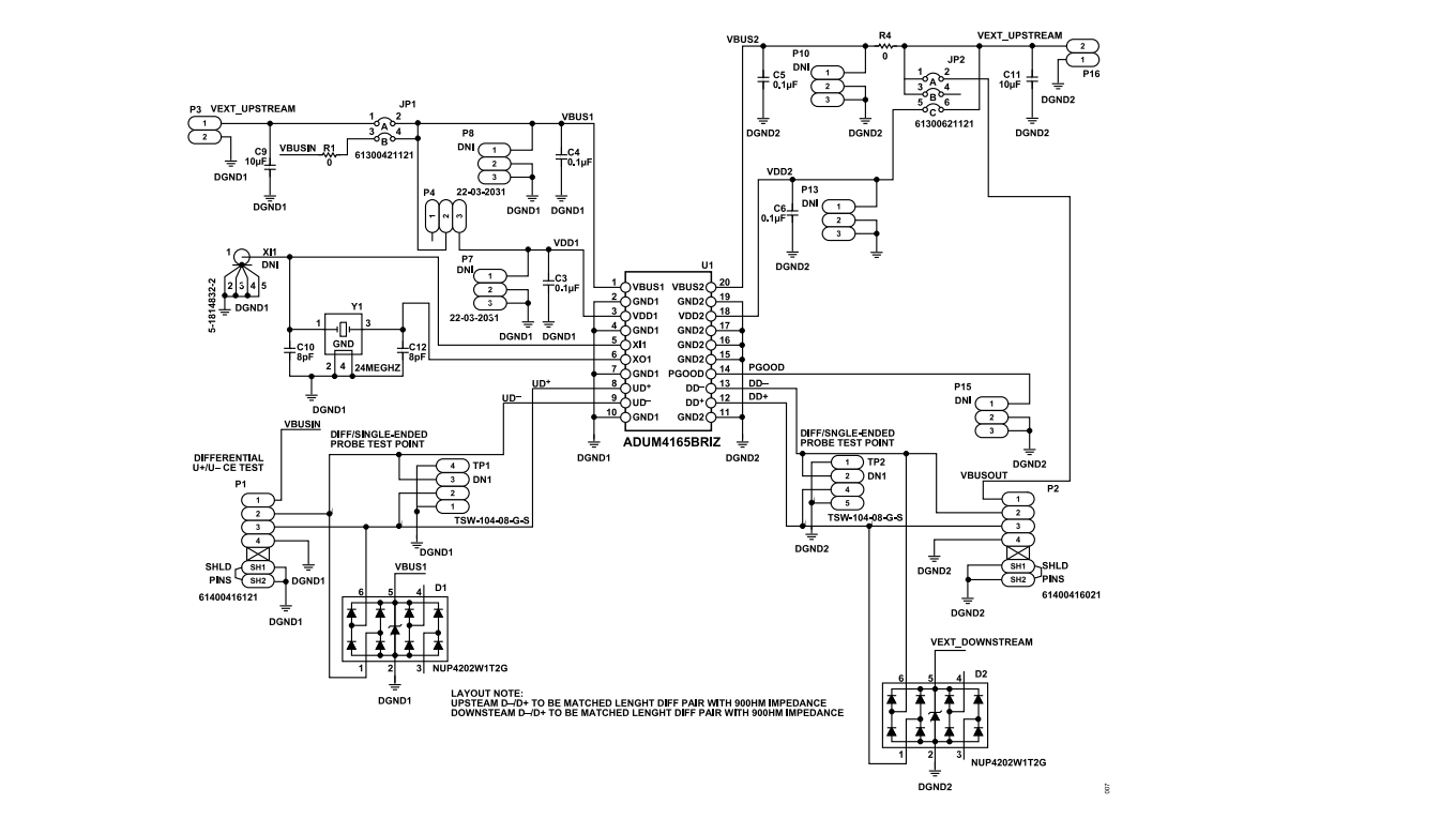
EVAL-ADuM4165EBZ和EVAL-ADuM4166EBZ是两款评估板,它们支持对ADuM4165和ADuM4166 USB隔离器进行快速而轻松的评估。这些评估板设计用于直接连接到USB主机和外设,无需额外的组件。通过ADI公司的iCoupler®技术,隔离器通道、USB收发器、电源和时序电路、控制逻辑以及内部端接和上拉/下拉电阻被集成在单一的20引脚宽体SOIC_IC封装中。评估板为隔离器的每一端提供了独立的接地层和电源层,从而能够实现电气隔离。需要注意的是,这些板子在使用高电压时尚未经过安全认证,因此只能由合格的人员进行测试。电源可以通过连接的USB主机在上游侧提供,而下游侧则需要外部电源供应。要获取关于ADuM4165/ADuM4166的完整详细信息,应参考ADuM4165/ADuM4166数据手册,并且在使用这些评估板时,应结合本用户指南。
附件下载
UG-2027: Evaluating the ADuM4165/ADuM4166 5.7 kV RMS Digitallsolators for lsolated USB 2.0 High, Full, and Low Speed (Rev. 0).pdf
评论
0 / 100
查看更多
