内容介绍
内容介绍
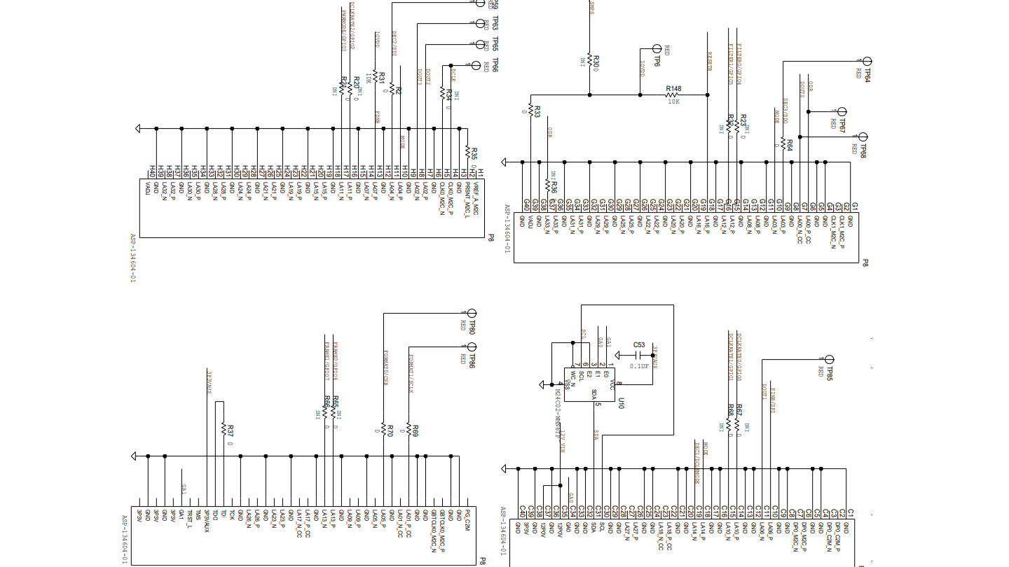
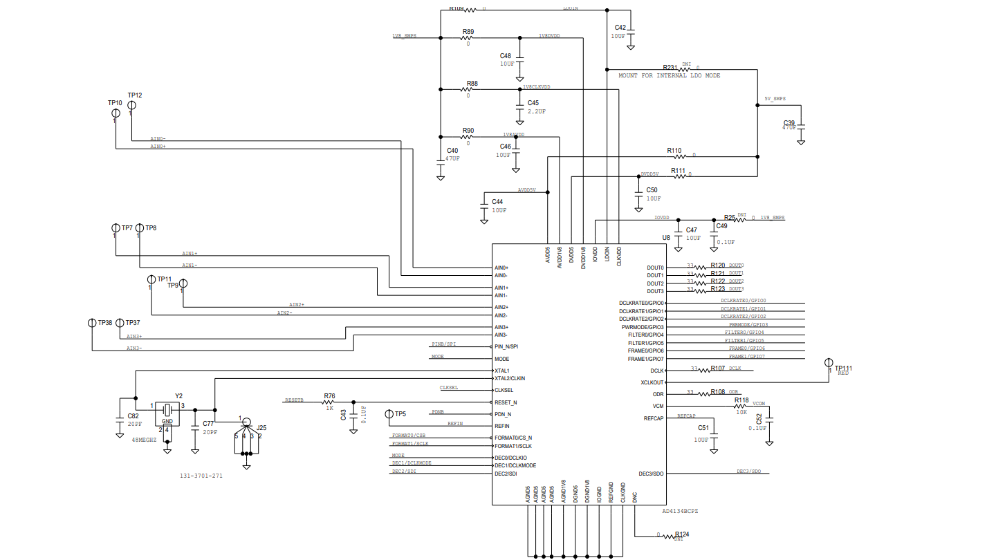
- EVAL-AD4134FMCZ 是一款评估套件,专为 AD4134 这款 24 位、四通道、同步采样、1.5 MSPS 的高精度无混叠模数转换器(ADC)设计。该套件通过系统演示平台(SDP)EVAL-SDP-CH1Z(SDP-H1)板进行供电,其中板载的直流转换器(dc-dc)将外部 8V 至 14V 的电源电压转换为 5V 和 1.8V,以供 AD4134 及其外围组件使用。另外,套件还包含一个由 ADR444 产生的 4.096V 独立基准电压源。AD4134 模数转换器由板载晶体振荡器提供时钟信号。EVAL-AD4134FMCZ 通过 SDP-H1 板与 PC 的 USB 端口相连,配合 PC 上的 AD4134 评估软件,用户可以完全访问 AD4134 的寄存器映射,并通过数据分析接口在时域和频域中显示转换结果的关键参数和图形。更详细的 AD4134 信息请参考 AD4134 数据手册,使用 EVAL-AD4134FMCZ 时,应结合数据手册和本用户指南。
附件下载
AD4134:24-Bit,4-Channel Simultaneous Sampling 1.5 MSPS PrecisionAlias Free ADC Data Sheet (Rev.0).pdf
UG-2016:Evaluating the AD4134 24-Bit,4-Channel, SimultaneousSampling,1.5 MSPS Precision Alias Free ADC (Rev. 0).pdf
EVAL-AD4134-BOM.xlsx
EVAL-AD4134-Layout File.pdf
EVAL-AD4134-Schematic.pdf
原理图PDF
全屏
评论
0 / 100
查看更多
