内容介绍
内容介绍
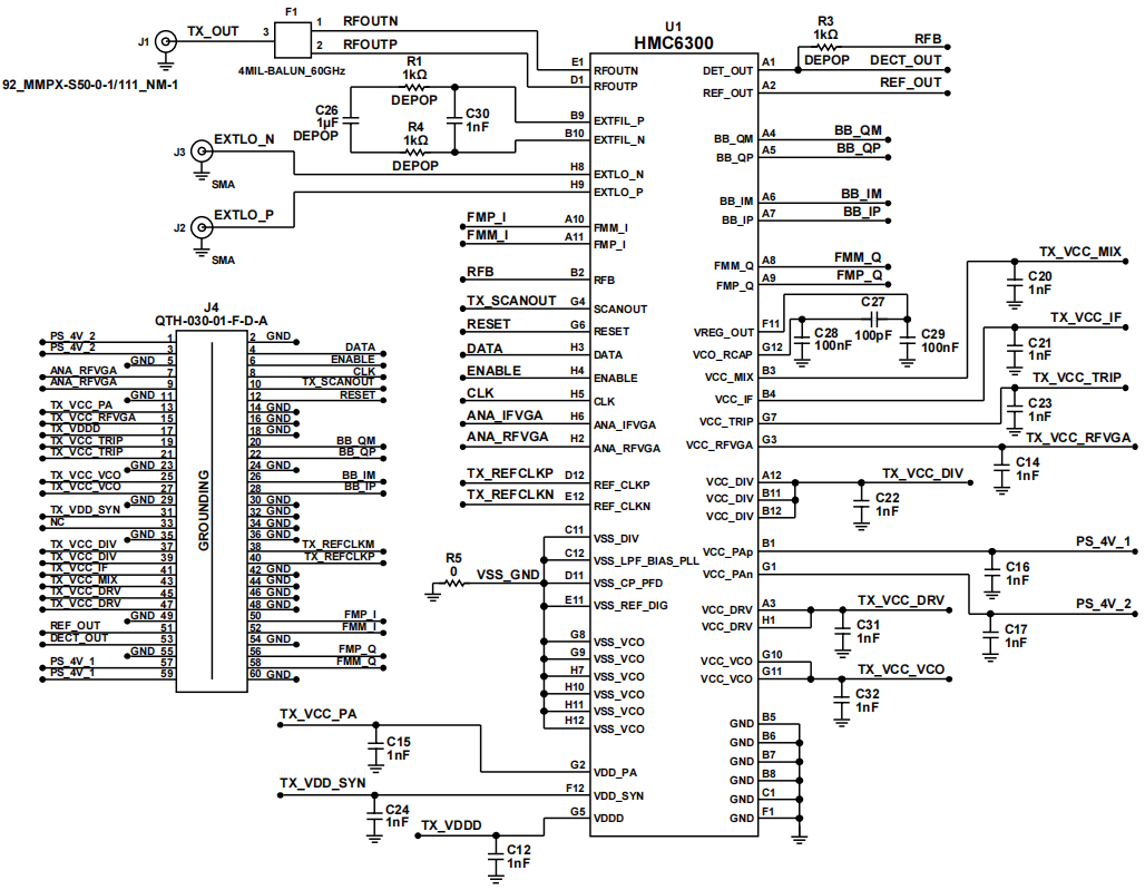
项目来源:HMC6300评估板
EK1HMC6350评估套件允许用户使用标准的基带模拟接口设置半双工、60 GHz毫米波链路。它提供MMPX和1.85 mm连接器,可与第三方测试设备或毫米波天线接口。EK1HMC6350评估套件包括USB接口和图形用户界面(GUI)软件,利用HMC6300/HMC6301图形用户界面,用户可以通过写入器件寄存器对HMC6300和HMC6301进行编程。 该套件中提供两个母板:已填充TX模块位置的HMC6300母板和已填充RX模块位置的HMC6301母板。
附件下载
HMC6300 60 GHz Millimeterwave Transmitter, 57 GHz to 64 GHz Data Sheet.pdf
UG-1031 Getting Started with the EK1HMC6350 Evaluation Kit and Software (Rev. 0).pdf
HMC6350 Gerber Files.zip
HMC6300 Gerber Files.zip
评论
0 / 100
查看更多
