采用 LDC0851 的电感感测 32 位置编码器旋钮参考设计
基于电感式传感的增量编码器旋钮设计可为控制输入提供稳定可靠的低成本接口。它可以在会给替代传感技术带来问题的脏污、潮湿或油腻环境中可靠运行。该解决方案无需磁体。 特性 高可靠性、非接触式编码器实现,适合脏污、潮湿以及其他具有挑战性的环境 可扩展,能够支持 4 的倍数的位置/旋转 最低 MCU 要求 无需永磁体;即使存在磁或电环境干扰也能有效运行  
标签
电感式传感
Texas Instruments Incorporated
更新2024-01-22
69

内容介绍

基于电感式传感的增量编码器旋钮设计可为控制输入提供稳定可靠的低成本接口。它可以在会给替代传感技术带来问题的脏污、潮湿或油腻环境中可靠运行。该解决方案无需磁体。

特性
  • 高可靠性、非接触式编码器实现,适合脏污、潮湿以及其他具有挑战性的环境
  • 可扩展,能够支持 4 的倍数的位置/旋转
  • 最低 MCU 要求
  • 无需永磁体;即使存在磁或电环境干扰也能有效运行

 

软硬件
元器件
TPD2E001DRLR
适用于 USB 2.0 且具有 1nA 最大漏电流和 VCC 引脚的双路 1.5pF、5.5V、±8kV ESD 保护二极管
LDC0851HDSGR
适用于无 MCU 应用的差动电感开关
LP5951MG-3.3/NOPB
具有使能功能的 150mA、低 IQ、低压降稳压器
MSP430F5500IRGZR
具有 8KB 闪存、4KB SRAM、比较器、DMA、UART/SPI/I2C、USB、计时器和硬件乘法器的 25MHz MCU
附件下载
Assembly drawing-TIDRL10.pdf
Bill of materials (BOM)-TIDRL09.pdf
Design Guide-TIDUBG5.pdf
Gerber file-TIDCBZ7.zip
PCB layout-TIDRL11.pdf
Schematic-TIDRL08.pdf
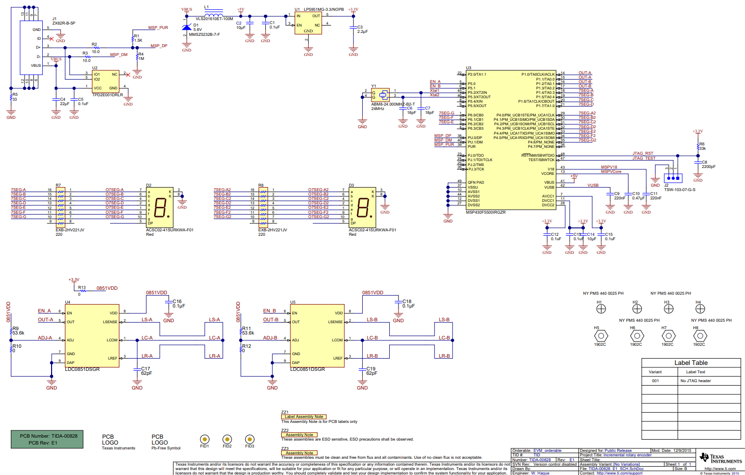
原理图PDF
全屏
评论
0 / 100
查看更多
硬禾服务号
关注最新动态
0512-67862536
info@eetree.cn
江苏省苏州市苏州工业园区新平街388号腾飞创新园A2幢815室
苏州硬禾信息科技有限公司
Copyright © 2024 苏州硬禾信息科技有限公司 All Rights Reserved 苏ICP备19040198号