内容介绍
内容介绍
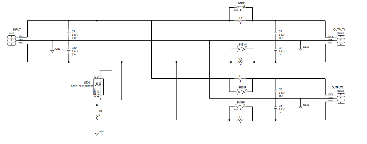
演示电路 SCP-1X2BKOUT-EVALZ 是配套的硬件工具,旨在将现有轨道扩展为信号链电源硬件评估矩阵中的两个部分。它具有一个 (1) 输入端口和两个 (2) 输出端口,以及无源滤波选项。 像信号链电源系列中的所有电路板一样,该板可轻松插入其他 SCP 板中,以形成完整的信号链电源系统,从而能够快速评估低功耗信号链。要评估该评估板,需要一些通用的 SCP 硬件,即: SCP-INPUT-EVALZ SCP-OUTPUT-EVALZ SCP-5X1-EVALZ SCP-FILTER-EVALZ SCP-1X5BKOUT-EVALZ SCP-THRUBRD-EVALZ 为了正确评估 SCP 系列演示板,您将需要 SCP Configurator 配套软件。SCP Configurator 可以帮助您为您的设计选择正确的电路板和拓扑。
附件下载
SCP-1X2BKOUT-EVALZ - Schematic.pdf
SCP-1X2BKOUT-EVALZ Demo Manual (Rev. 0).pdf
SCP-1X2BKOUT-EVALZ - Design Files.zip
原理图PDF
全屏
评论
0 / 100
查看更多
