LTC3701EGN 2相低输入电压双通道降压DC/DC控制器演示板
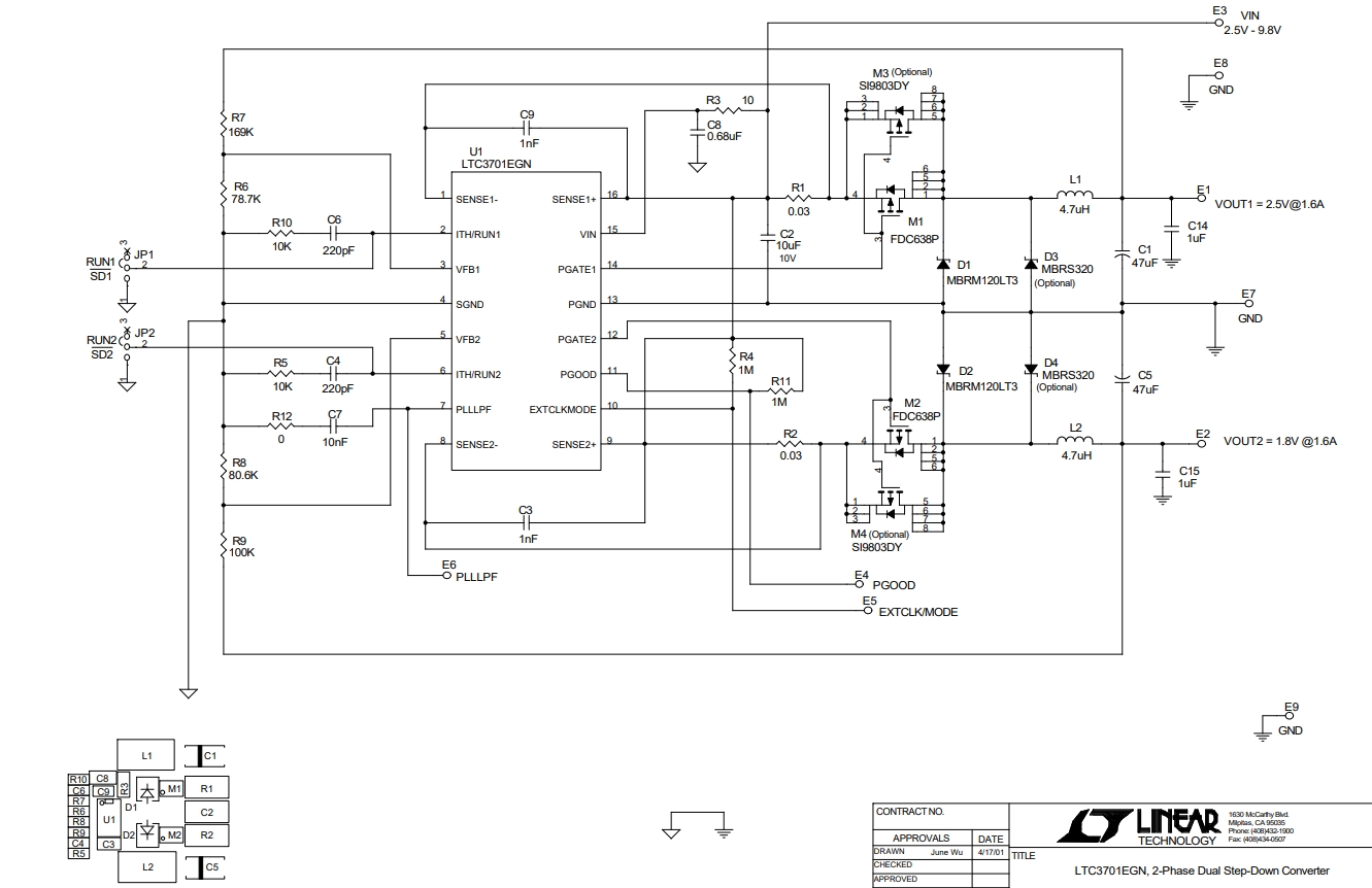
DC424A是一款展示LTC3701芯片的参考设计电路板,该芯片是一款2相、低输入电压的双通道降压DC/DC控制器。该电路板具备两个输出电压通道,分别为2.5V@1.6A和1.8V@1.6A,确保了高效率的电源转换。电路板设计考虑了多种可选配置,例如外部时钟输入、模式选择等,以适应不同的应用需求。关键元件包括电容器、电阻器、二极管、MOSFET和电感器等,这些元件共同工作以实现稳定的电源输出。  
标签
电源管理
开关 DC-DC 转换
降压型稳压器
演示板
Analog Devices Inc.
更新2024-08-26
17

内容介绍

DC424A是一款展示LTC3701芯片的参考设计电路板,该芯片是一款2相、低输入电压的双通道降压DC/DC控制器。该电路板具备两个输出电压通道,分别为2.5V@1.6A1.8V@1.6A,确保了高效率的电源转换。电路板设计考虑了多种可选配置,例如外部时钟输入、模式选择等,以适应不同的应用需求。关键元件包括电容器、电阻器、二极管、MOSFET和电感器等,这些元件共同工作以实现稳定的电源输出。
 

附件下载
DC424A - Schematic.pdf
DC424A - Demo Manual.pdf
DC424A - Design File.zip
原理图PDF
全屏
评论
0 / 100
查看更多
硬禾服务号
关注最新动态
0512-67862536
info@eetree.cn
江苏省苏州市苏州工业园区新平街388号腾飞创新园A2幢815室
苏州硬禾信息科技有限公司
Copyright © 2024 苏州硬禾信息科技有限公司 All Rights Reserved 苏ICP备19040198号