内容介绍
内容介绍
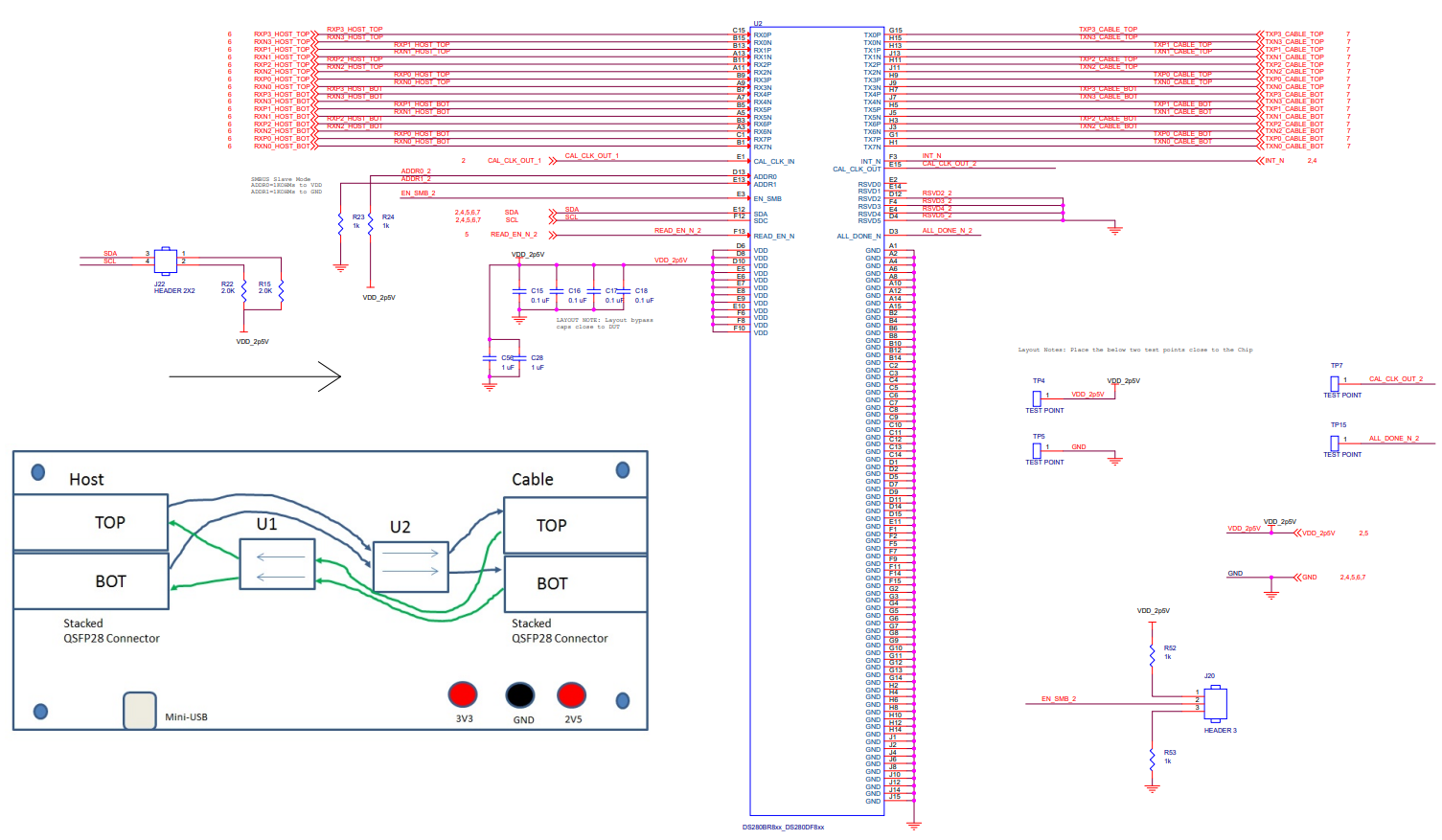
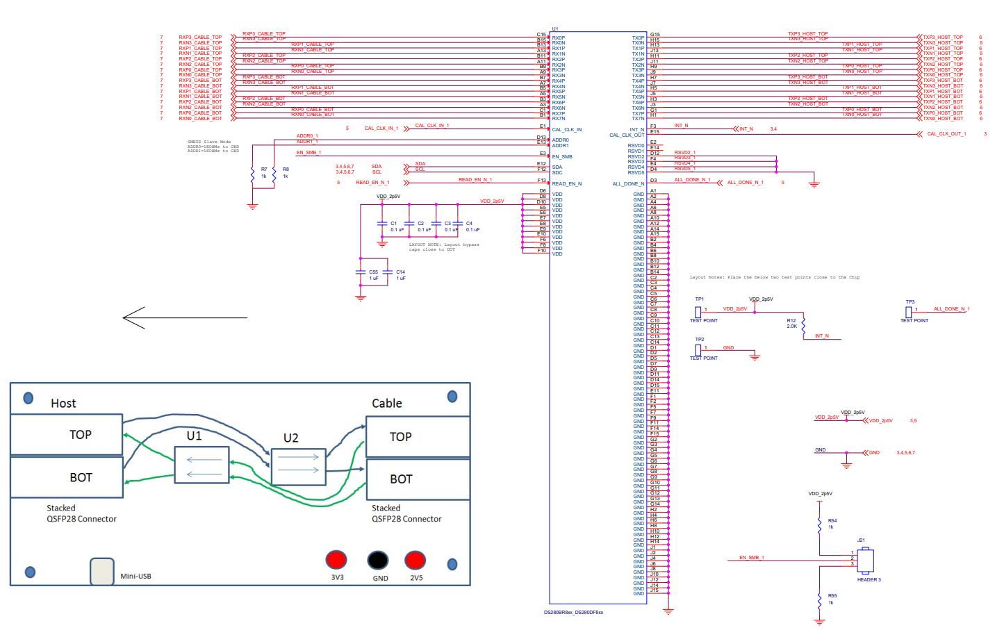
这款经过验证的参考设计为信号调节解决方案,适用于前端口 QSFP28,支持两个兼容 100G-CR4/SR4/LR4、40G-CR4/SR4/LR4 和 10G SFF-8431 要求的 100GbE 端口。此设计适用于光缆和无源/有源铜缆。它可以在开关 ASIC 和前端口 QSFP28 之间使用延长线,延长线常常需要用于架顶 (ToR) 交换机上最外侧的端口或用于在附加中间层实施 QSFP28 线路卡。此参考设计可让用户灵活地从 DS280BR810 中继器升级到引脚兼容型 DS250DF810 重定时器
特性
- 前端口堆叠 QSFP28 带信号调节的实施方式,支持 100GbE/40GbE/10GbE 光缆和无源铜缆
- 在 CAUI-4 主机通道损耗限制的基础上,将交换机和前端口之间的触及范围延长最多 3 倍
- 低功耗/低成本的前端口信号调节解决方案
- 适用于架顶 (ToR) 交换机和线路卡系统
- 单电源、无需固件、无需散热器、无需参考时钟
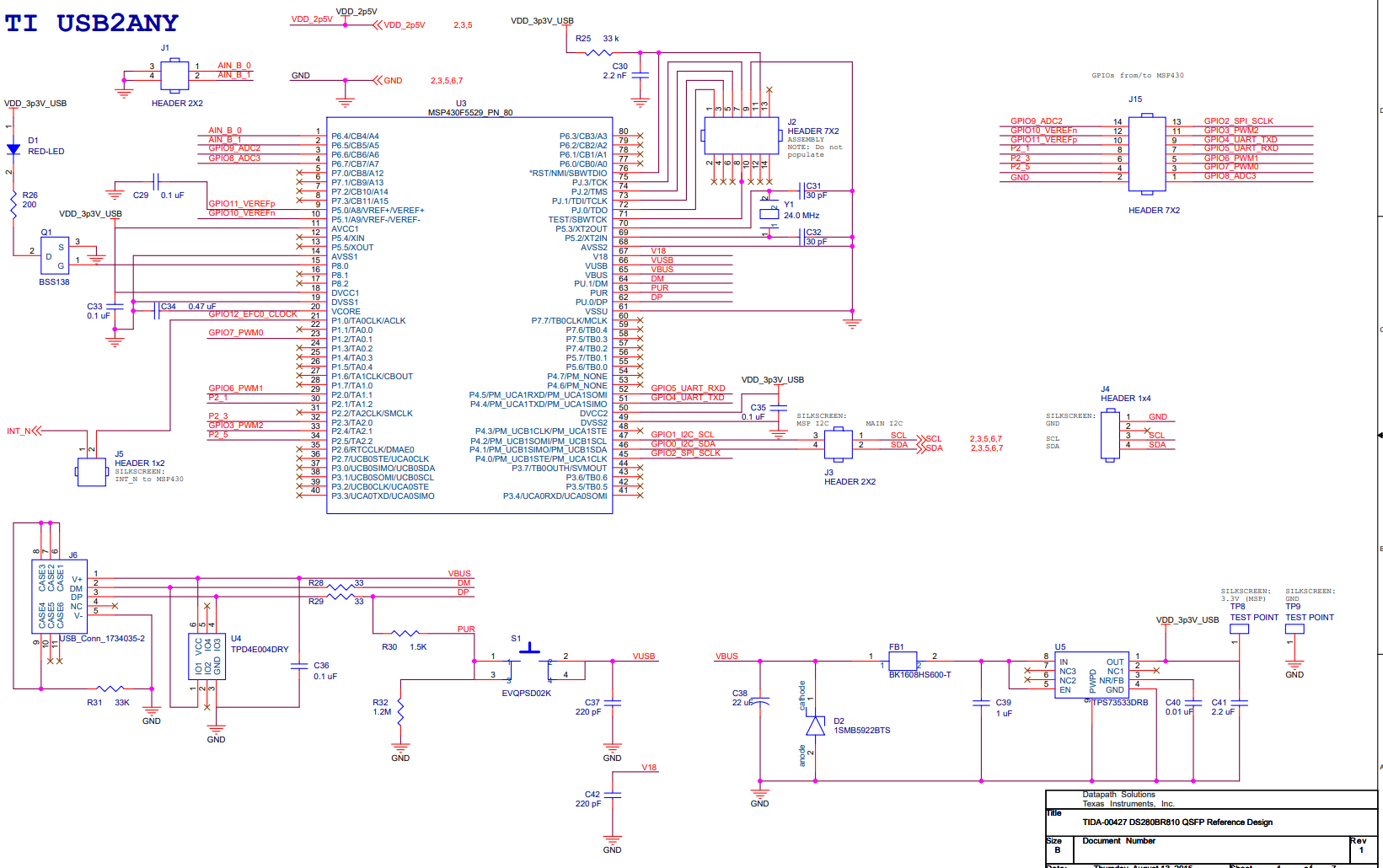
- 经过实验室测试的硬件示例,包含 100GbE/40GbE/10GbE 的具体测试数据
附件下载
Assembly drawing-TIDRK67.zip
Assembly drawing-TIDRK68.pdf
Bill of materials (BOM)-TIDRK66.pdf
Design Guide-TIDUBG6.pdf
Gerber file-TIDCBQ7.zip
PCB layout-TIDRK69.pdf
Schematic-TIDRK65.pdf
原理图PDF
全屏
评论
0 / 100
查看更多
