内容介绍
内容介绍
该参考设计展示了在多核 TMS320C6678 数字信号处理器 (DSP) 上运行的实时合成孔径雷达 (SAR)。SAR 的主要挑战之一是实时生成高分辨率图像,因为形成图像涉及对计算要求较高的信号处理程序。我们在 C6678 八核定点和浮点 DSP 上实施了 SAR 算法,用于展示完整的应用性能及其如何在一、二、四和八个 DSP 内核中进行扩展。这里从功能角度对距离多普勒 SAR 处理算法进行了模块化,并将计算任务映射到多个并行运行的内核。使用 OpenMP 来完成任务映射过程。
特性
- 该参考设计已经过测试,包含评估模块 (EVM)、软件和用户指南。
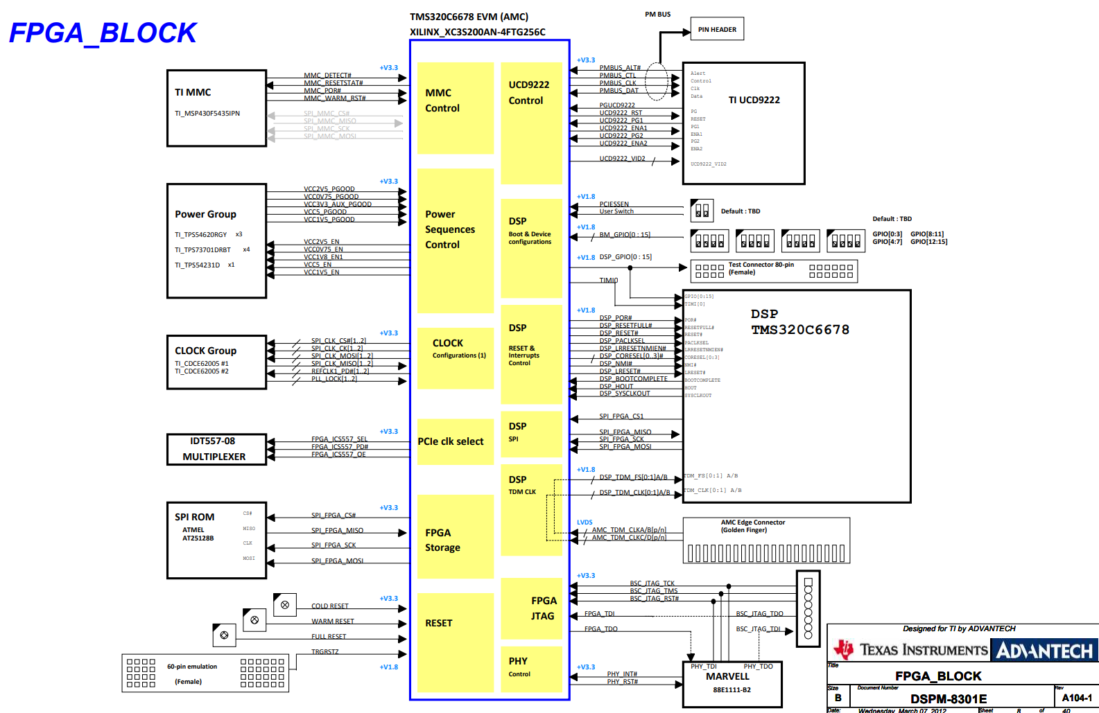
- 硬件平台包含 TMDSEVM6678 EVM,可使用基于我们 C66x KeyStone™ 架构的 TMS320C6678 高性能 DSP 来实现高性能、具有成本效益的开发平台。
- 该设计包含原理图、设计文件和物料清单。
- 该设计还包含 SAR 算法、输入二进制文件和显示脚本,以及用于下载 BIOS-MCSDK 和 SDK 软件框架的链接。
- 本设计指南介绍了距离多普勒算法的实现、所需的硬件和软件以及构建和运行 SAR 应用的分步指南。
软硬件
元器件
附件下载
Bill of materials (BOM)-TIDRKC7.pdf
Design Guide-TIDUB40.pdf
Gerber file-TIDCAL6.zip
PCB layout-TIDRFT5.zip
Schematic-TIDRFT2.pdf
Schematic-TIDRFT3.pdf
Support software-TIDCBS5.zip
原理图PDF
全屏
评论
0 / 100
查看更多
















