内容介绍
内容介绍
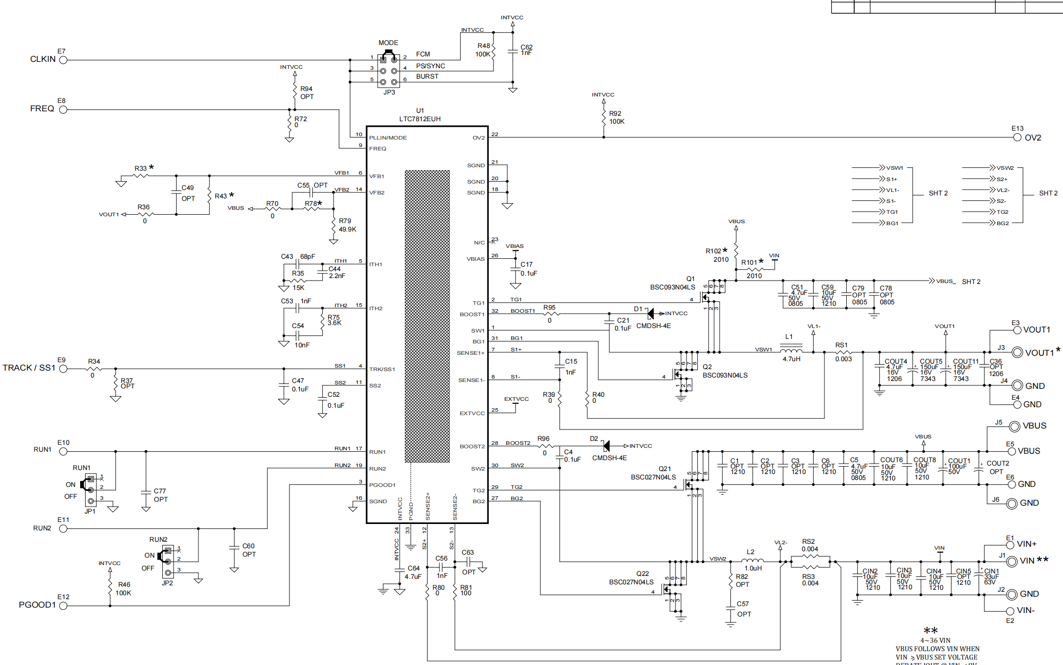
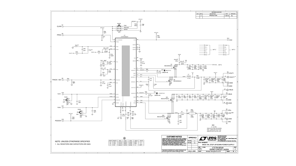
演示电路DC2422A是一个升压+降压DC/DC转换器,采用了LTC7812EUH,这是一个高性能的双输出(升压+降压)同步DC/DC开关调节控制器。该板具有4V至36V的输入电压范围和三种不同的输出配置。DC2422A-A使用升压和降压转换器组合生成稳定的12V @ 8A输出。DC2422A-B提供10V至16V之间的准调节输出电压;该电路将低于10V的电压升至10V,通过10V至16V之间的电压,并把高于16V的电压降至16V,提供一个松散调节的12V总线。DC2422A-C将输入电压升至12V,然后将此电压降至5V @ 8A,模拟一个设计为即使在低至4V的冷启动条件下也能提供5V输出功率的电源。
附件下载
DC2422A - Schematic.pdf
DC2422A - Demo Manual.pdf
DC2422A - Design Files.zip
原理图PDF
全屏
评论
0 / 100
查看更多
