内容介绍
内容介绍
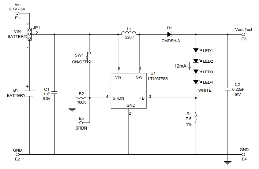
DC484A是一款采用SC70和ThinSOT封装的白光LED升压转换器演示板。该板由LT1937ES5芯片驱动,适用于单节电池供电的LED照明应用,支持2.7V至5V的输入电压范围,并能提供高达12mA的LED电流。板上还设有一个SHDN引脚,用于实现电路的开/关控制。电路板设计精巧,适用于需要高亮度、低功耗LED照明解决方案的场合。
附件下载
原理图文件-484asch.pdf
DC484A - Demo Manual.pdf
DC484A - Design File.zip
原理图PDF
全屏
评论
0 / 100
查看更多
