内容介绍
内容介绍
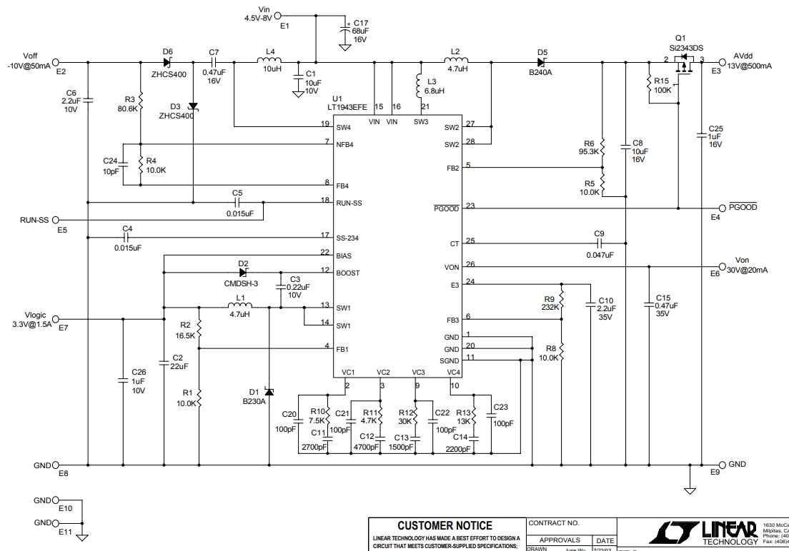
DC697A是一款专为5V输入TFT-LCD面板设计的高电流四通道输出稳压器演示板。它采用了LT1943EFE芯片,能够提供高达1.5A的3.3V逻辑电源,以及30V@20mA的Von输出。该板设计用于与线性技术(Linear Technology)的部件配合使用,确保了电路的高性能和可靠性。电路设计时已尽力满足客户供应的规格,但客户有责任验证在实际应用中的适当和可靠操作。组件替代和印刷电路板布局可能会显著影响电路性能或可靠性。如需帮助,请联系线性技术应用工程部门。
附件下载
原理图文件-697asch.pdf
DC697A - Demo Manual.pdf
DC697A - Design File.zip
原理图PDF
全屏
评论
0 / 100
查看更多
