内容介绍
内容介绍
项目来源:MAX1542、MAX1543评估板
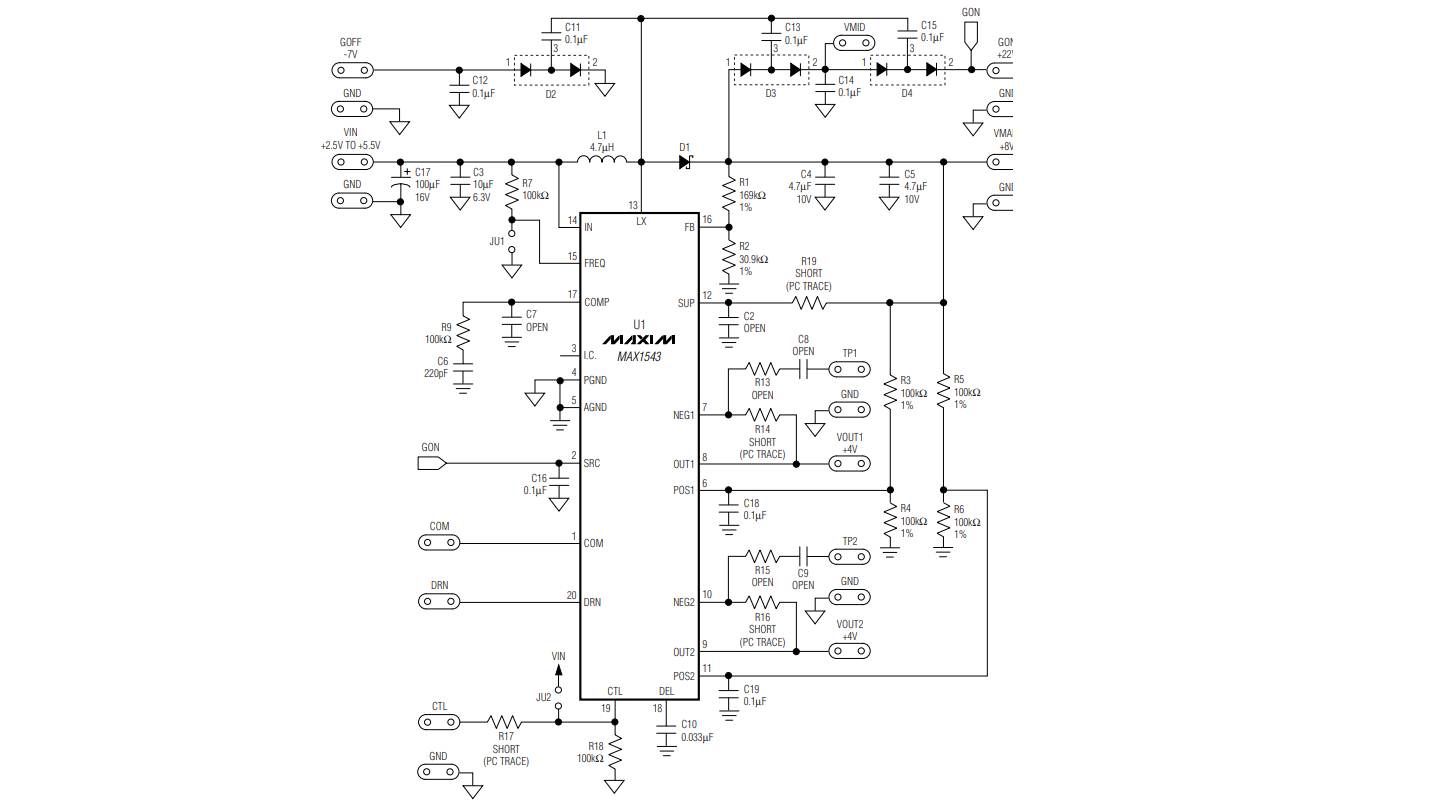
- MAX1543 评估板(EV kit)是一款全面组装并测试过的表面贴装电路板,专为有源矩阵薄膜晶体管(TFT)液晶显示器(LCD)设计。它集成了升压开关稳压器、正电源两级电荷泵(用于 TFT 栅极开通电源)、负电源一级电荷泵(用于 TFT 栅极关断电源),以及两个可驱动 LCD 背板(VCOM)或 gamma 校正除法器的运算放大器。此外,还包括一个逻辑控制的高压开关,该开关具有可调延迟功能。通过替换 IC,评估板也能够对 MAX1542 进行评估。评估板的输入电压范围为 +2.6V 至 +5.5V,升压开关稳压器配置为输出 +8V,至少提供 250mA 电流;正电荷泵输出 +22V,至少提供 20mA 电流;负电荷泵输出 -7V,同样至少提供 20mA 电流。两个运算放大器均配置为输出 +4V,每个放大器能够提供高达 ±150mA 的峰值电流。高压开关可以延迟正电荷泵的启动,延迟时间通过外部电容器设定。MAX1543 评估板展示了低静态电流和高效率(85%),有助于延长电池寿命。其在 1.2MHz 的工作频率下,可以使用微型表面贴装元件,使得整个电路板的高度小于 1.25mm。此评估板适用于汽车导航显示器、LCD 监视器面板、表、笔记本电脑和 PDA 等多种应用场景。
附件下载
3926:MAX1542、MAX1543评估板 Data Sheet.pdf
评论
0 / 100
查看更多
