内容介绍
内容介绍
项目来源:MAX9591和MAX9590评估板
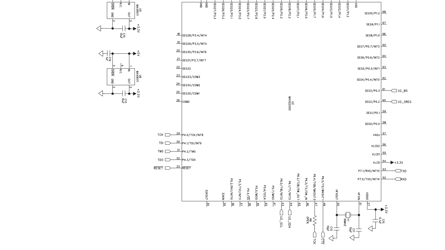
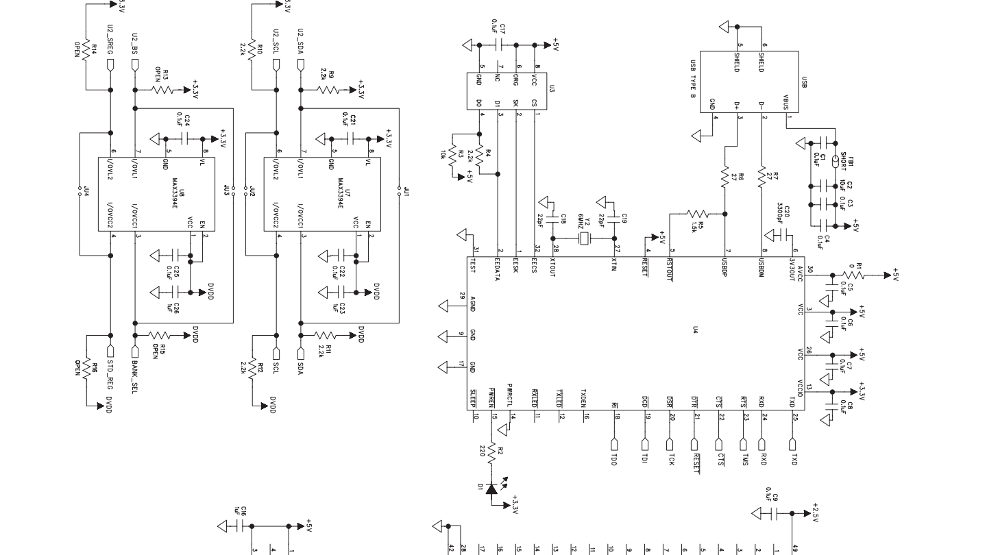
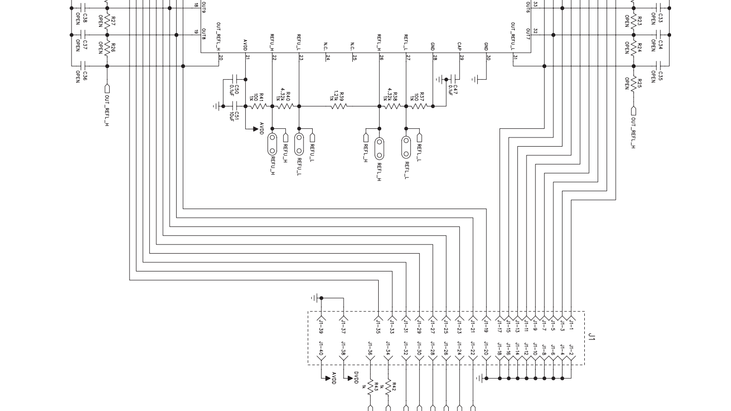
- MAX9591 评估板(EV kit)是一款专为演示 MAX9591 基准电压发生器在 TFT-LCD 面板伽玛校正中应用而设计的电路板,适用于高清电视、高端显示器以及通用工业基准电压发生。该评估板提供 14 个可编程的基准电压输出(DAC 输出)和四个静态缓冲基准电压输出(基准输出),支持 9V 至 20V 的直流电源供电。板载 USB 至 I²C 接口电路,兼容 Windows® 2000/XP/Vista® 的软件和图形用户界面(GUI),便于展示 MAX9591 的各项功能。此外,评估板也可通过用户自供的 I²C 接口电路独立操作,同时兼容 MAX9590ETU+ 的评估。
附件下载
MAX9591EVKIT: Evaluation Kit for the MAX9591 and MAX9590 DataSheet (Rev.0).pdf
评论
0 / 100
查看更多
