内容介绍
内容介绍
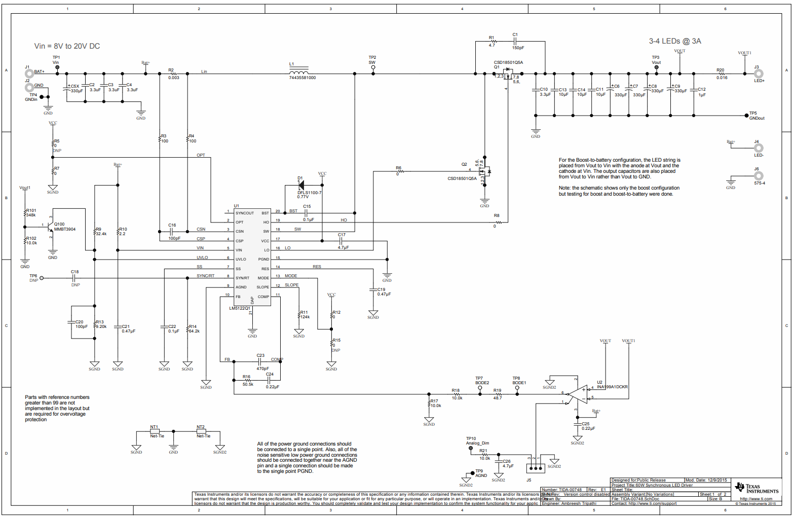
TIDA-00748 是利用同步升压转换器 LM5122-Q1 的适用于汽车 LED 应用的 60W 同步升压设计。此设计适用于汽车外部照明(例如头灯和尾灯)以及内部 LED 照明系统。此设计接受 8Vin 到 15Vin 的输入电压,并能以 3A 恒定电流驱动多个由 6 到 7 个 LED(16V 到 24V)串联而成的灯串。这是一种低成本解决方案,并提供欠压以及过压保护。与低效的非同步升压解决方案相比,此解决方案提供 97% 的效率。TIDA-00748 还可修改为“升压到电池”配置,方法是将 LED 灯串(9V 到 12V)的阴极连接到输入端而非接地端,并将输出电容器从输入端连接到输出端。在此配置中,8V 到 15V 输入可以对所需电压小于、高于或等于输入电压的 LED 灯串供电,这在标准升压配置中是不可行的,因为标准升压配置要求输出电压高于输入电压。请参阅图 1 以了解“升压到电池”配置以及 LM5122 的内部方框图。TIDA-00748 还可修改为“升压到电池”配置,方法是将 LED 灯串(9V 到 12V)的阴极连接到输入端而非接地端,并将输出电容器从输入端连接到输出端。在此配置中,8V 到 15V 输入可以对所需电压小于、高于或等于输入电压的 LED 灯串供电,这在标准升压配置中是不可行的,因为标准升压配置要求输出电压高于输入电压。请参阅图 1 以了解“升压到电池”配置以及 LM5122 的内部方框图。
特性
- 60W 同步升压 LED 驱动器
- 用于汽车照明的宽泛输入电压
- 输入:8V 到 15V,输出:16V 到 24V(仅限升压)或 9V 到 12V(升压到电池)
- 峰值效率为 97%
- 开关频率:140KHz
- 过压保护、UVLO
- LM5122-Q1 符合 AEC-Q100 等级
- 4 层电路板,尺寸为 2100mil*5200mil
- 高达 1MHz 的自由运行或同步开关
- 升压或“升压到电池”配置允许 Vin>VLED、Vin=VLED、Vin
- 逐周期电流限制和可选间断模式过载保护
附件下载
Bill of materials (BOM)-TIDRJG0.pdf
Gerber file-TIDCBL1.zip
Schematic-TIDRJF9.pdf
原理图PDF
全屏
评论
0 / 100
查看更多
