HMC1013LP4E 连续检测对数视频放大器评估板
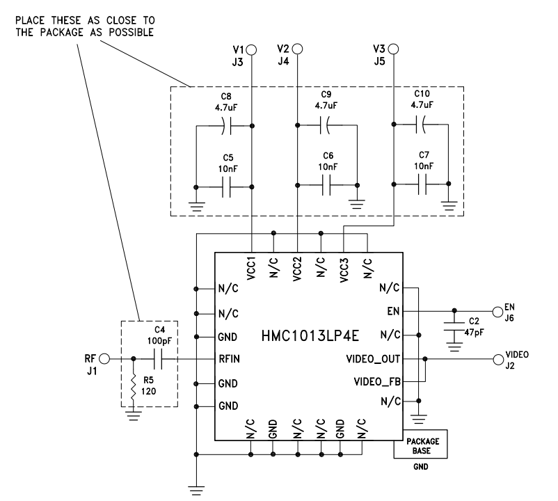
HMC1013LP4E是一款连续检测对数视频放大器(SDLVA),工作频率范围为0.5至18.5 GHz。该设备提供了67 dB的对数范围,具有快速的上升/下降时间(5/15纳秒)和优异的延迟时间(仅10纳秒)。对数视频输出斜率通常为15 mV/dB,最大恢复时间小于40纳秒。该设备采用高度紧凑的4x4 mm SMT塑料封装,非常适合高速通道化接收器应用。该芯片适用于电子战、电子情报、频率测量接收器、方向查找雷达系统、电子对抗系统、宽带测试与测量、功率测量与控制电路以及军事和空间应用。
标签
模拟信号调理
信号放大
射频放大器
评估板
Analog Devices Inc.
更新2024-10-22
40

内容介绍

项目来源:HMC1013LP4E 评估板

HMC1013LP4E是一款连续检测对数视频放大器(SDLVA),工作频率范围为0.5至18.5 GHz。该设备提供了67 dB的对数范围,具有快速的上升/下降时间(5/15纳秒)和优异的延迟时间(仅10纳秒)。对数视频输出斜率通常为15 mV/dB,最大恢复时间小于40纳秒。该设备采用高度紧凑的4x4 mm SMT塑料封装,非常适合高速通道化接收器应用。该芯片适用于电子战、电子情报、频率测量接收器、方向查找雷达系统、电子对抗系统、宽带测试与测量、功率测量与控制电路以及军事和空间应用。

软硬件
元器件
HMC1013LP4E
67分贝 表面贴装技术 对数检波对数视频放大器,0.5至18.5吉赫
附件下载
HMC1013 Data Sheet.pdf
HMC1013 Gerber Files.zip
评论
0 / 100
查看更多
硬禾服务号
关注最新动态
0512-67862536
info@eetree.cn
江苏省苏州市苏州工业园区新平街388号腾飞创新园A2幢815室
苏州硬禾信息科技有限公司
Copyright © 2024 苏州硬禾信息科技有限公司 All Rights Reserved 苏ICP备19040198号