内容介绍
内容介绍
项目来源:HMC829LP6GE评估板
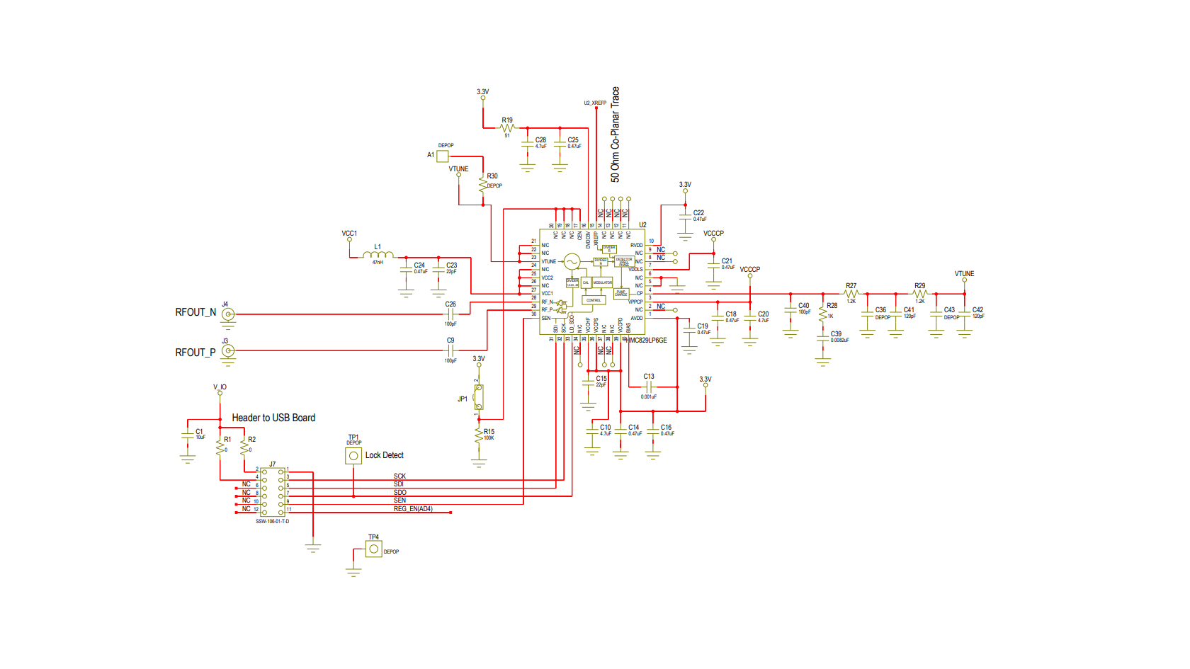
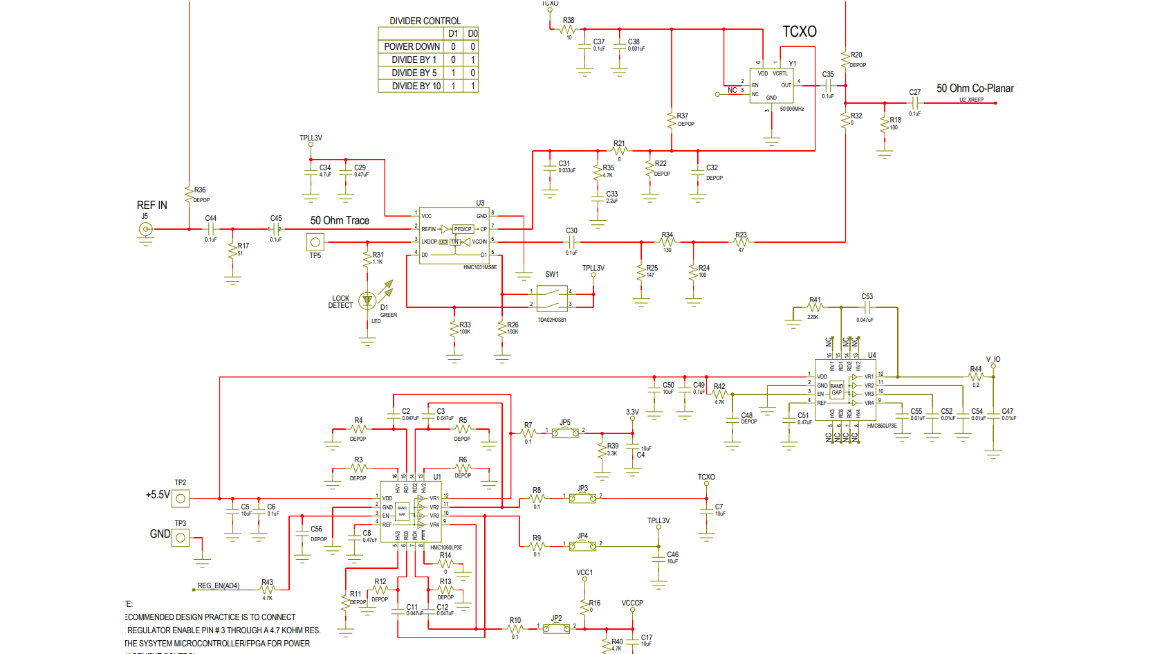
HMC829LP6GE评估板是Hittite Microwave Corporation设计的一款参考电路板,用于评估HMC829LP6GE芯片的性能。该评估板配备了多种电子元件,包括电容、电阻、电感、晶振和连接器。电路板设计考虑了信号完整性,采用了50欧姆共面迹线,并提供了多种电源和信号接口,包括3.3V电源、RF输入输出和锁相环控制信号。此外,电路板还包含了电源管理功能,推荐通过4.7K欧姆电阻将调节器使能引脚连接至系统微控制器/FPGA。评估板适合用于射频信号处理应用,便于工程师进行芯片功能验证和性能分析。
附件下载
HMC829LP6GE Eval.PCB Schematic.pdf
User Manual - Software & Hardware Installation for all HMC PLLS & PLLwith Integrated VCOs.pdf
HMC829 Design Files.zip
原理图PDF
全屏
评论
0 / 100
查看更多
