内容介绍
内容介绍
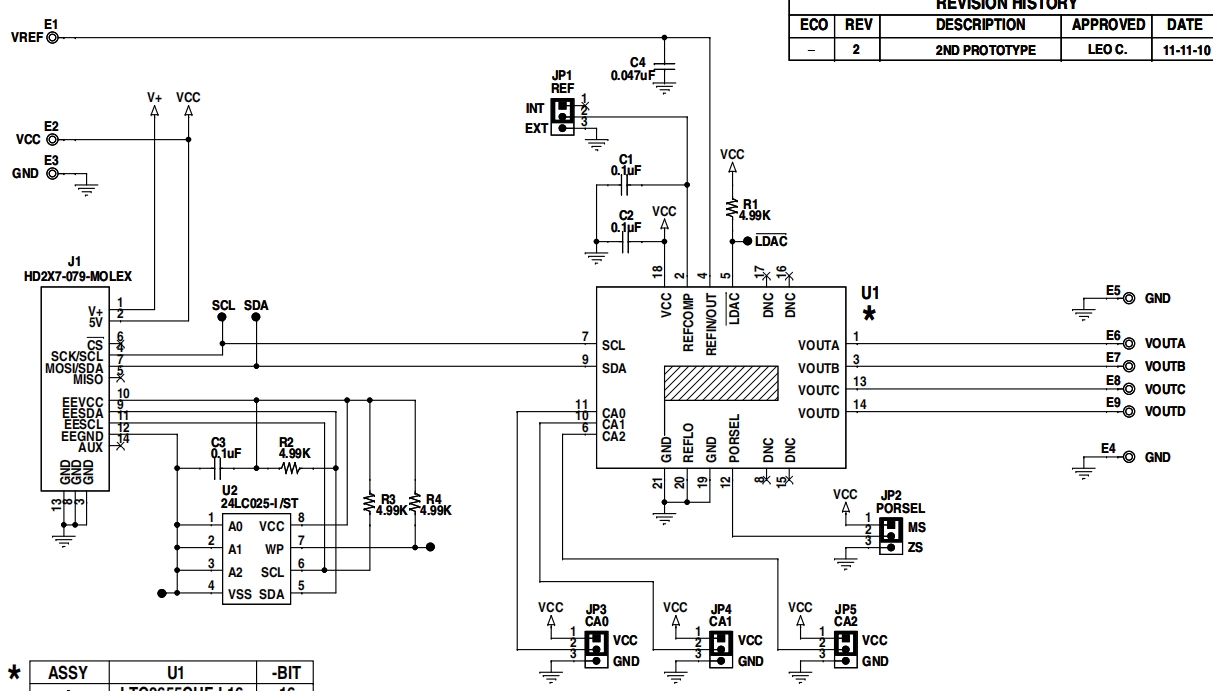
项目来源:LTC2655-H12 Demo Board | Quad I2C 12-Bit Voltage Output DAC with 2.048V Reference, Requires DC2026
演示电路1703A采用了LTC2655四通道16-/12位DAC。LTC2655系列是具有最高10ppm/°C精度的集成参考源的轨对轨DAC。该系列产品在单电源供电、电压输出的多DAC配置中,为输出驱动、串扰和负载调节设定了新的性能标准。
附件下载
DC1703A - Schematic.pdf
DC1703A - Demo Manual.pdf
DC1703A - Design Files.zip
原理图PDF
全屏
评论
0 / 100
查看更多
