内容介绍
内容介绍
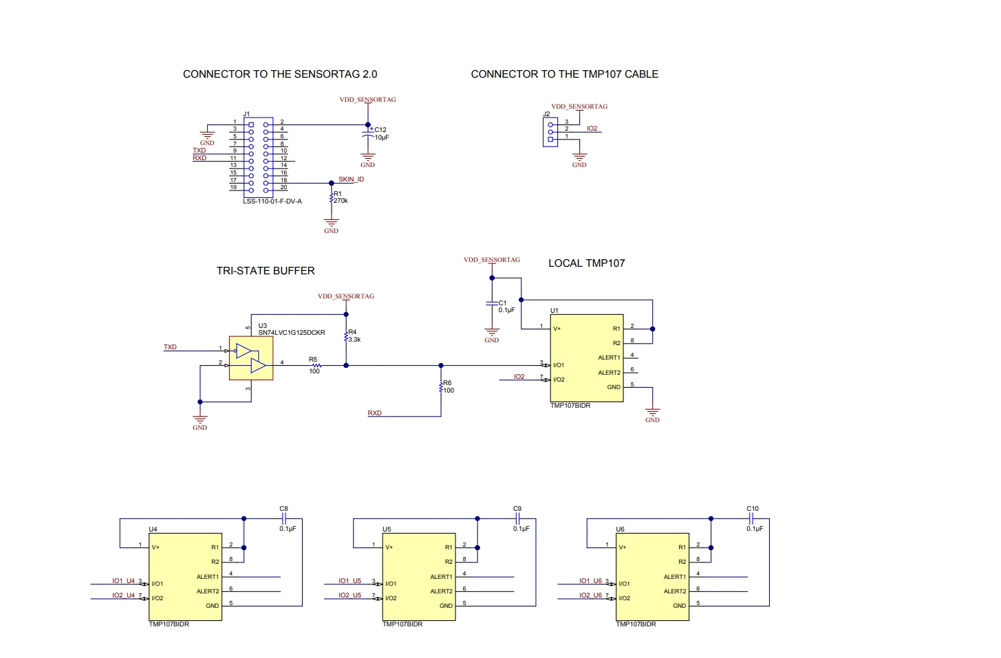
TIDA-00800 参考设计需要 4 个在布线环境中呈菊花链式分布的温度传感器。这些传感器通过 UART 接口连接到 SensorTag 开发平台,从而支持信息的无线传输。由于大多数现代化设备中都集成了低功耗蓝牙无线技术,因此可简化测试和演示过程。其外形和电气连接与 TI SensorTag 2.0 生态系统兼容,可支持通过其他无线技术(Zigbee、Wifi、低于 1GHz......)轻松完成原型设计,同时所选传感器还可实现工业级精度和分辨率。
特性
- 菊花链式温度传感器 (TMP107)
- SensorTag 平台的低功耗蓝牙™ 链接
- SMAART WIRE™ 接口:可使用 UART 接口最多支持 32 个菊花链式器件
- 温度范围:-55°C 至 +125°C
- 精度:在 -20°C 至 +70°C 之间为 ±0.4°C
- 分辨率:14 位 (0.015625°C)
软硬件
元器件
附件下载
Bill of materials (BOM)-TIDRII6.pdf
Design Guide-TIDUAM8.pdf
Gerber file-TIDCBB5.zip
Schematic-TIDRII5.pdf
原理图PDF
全屏
评论
0 / 100
查看更多


