内容介绍
内容介绍
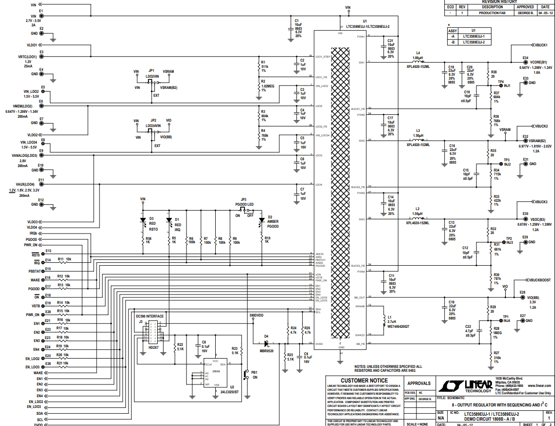
演示电路板1808B-A是一款输入电压范围为2.7V至5.5V的多输出电源供应电路,它配备了一个按钮控制器和I2C接口,并且采用了LTC3589EUJ-1 (-A)芯片。LTC3589EUJ-1芯片具备三个同步降压调节器(分别为1.6A、1.2A、1.2A),一个1.2A的升降压调节器,一个始终开启的25mA低压差线性稳压器(LDO),以及三个200mA的LDO调节器。通过I2C接口,可以控制这些开关调节器的设置,包括使能、反馈电压、工作模式以及其他功能。
附件下载
DC1808B - Schematic.pdf
DC1808B - Demo Manual.pdf
DC1808B - Design Files (2).zip
原理图PDF
全屏
评论
0 / 100
查看更多
