内容介绍
内容介绍
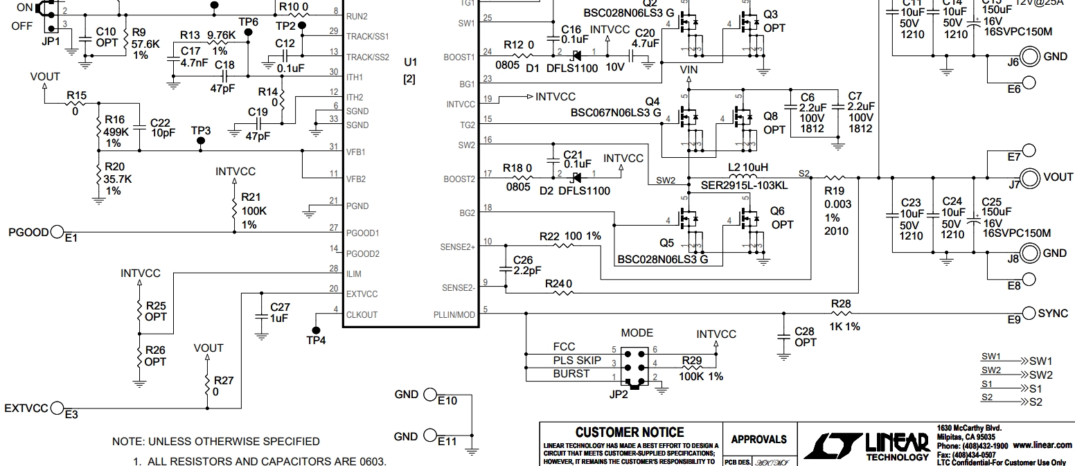
演示电路2236A-B是一款采用LTC3890EUH芯片的高输出电压、高效同步PolyPhase®降压转换器。该电路板设计用于接受16V至60V的宽输入电压范围,并能够提供最高25A的输出电流。标准配置下输出电压设定为12V,但通过适当修改,输出电压可以提升至24V。2236A-B支持三种工作模式:固定频率调制、脉冲跳跃(Pulse Skipping)和Burst Mode®操作。在固定频率操作模式下,可以最大化输出电流、最小化输出电压纹波,并产生低噪声的开关频谱。而Burst Mode®操作则采用可变频率开关算法,以降低空载时的输入静态电流并提高轻负载下的效率。
附件下载
DC2236A-B - Demo Manual.pdf
DC2236A-B - Design Files.zip
DC2236A-B - Schematic.pdf
原理图PDF
全屏
评论
0 / 100
查看更多
