内容介绍
内容介绍
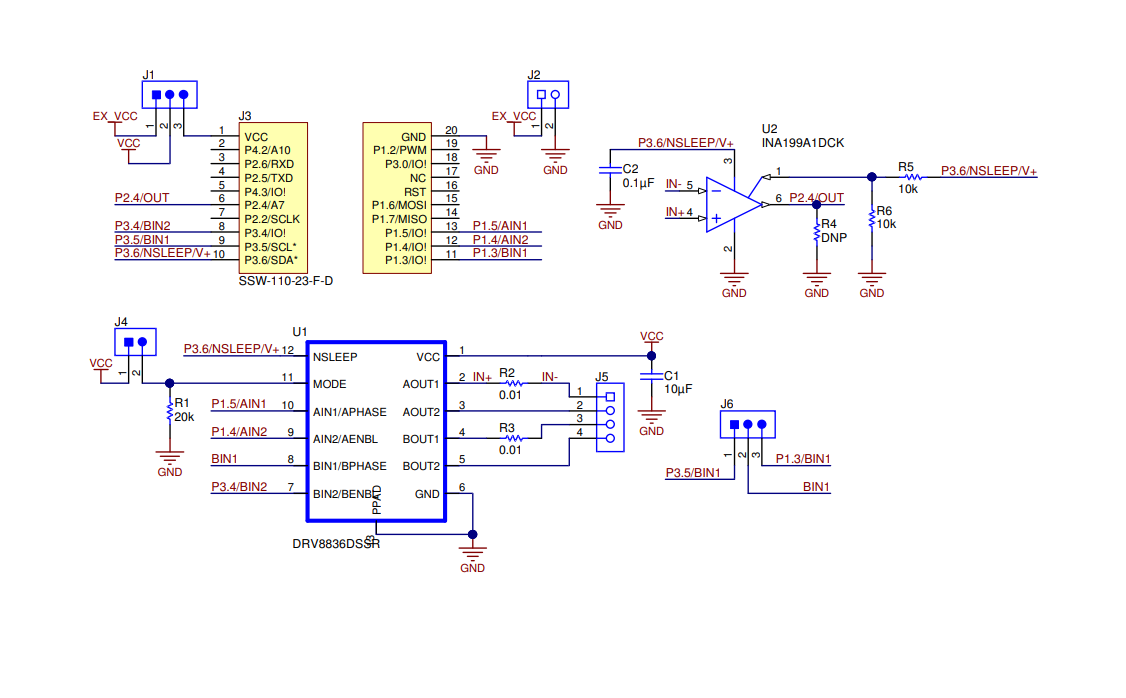
此 20 引脚 BoosterPack 由 MSP-EXP430FR5969 FRAM LaunchPad 控制,利用 DRV8836 电机驱动器来操作具有最低功耗的低电压步进电机,从而更好地延长电池寿命。微步进逻辑提供平顺的电机步进,INA199 电流分流监控器提供有价值的电机状态反馈环路,而 MSP430FR5969 FRAM 技术可以在电源断开的情况下保存电机状态。
特性
- 通过结合使用 DRV8836 睡眠状态,MSP430FR5969 MCU 的 LPM3 和 LPM3.5 模式提供更长的电池放电时间,平均电流消耗分别为 20 μA 和 10 μA
- 双向 INA199 电流分流监控器生成的有益电机反馈具有低偏移和误差最小的特性
- 由于采用 MSP FRAM 技术,电机状态不会被功率周期中断
- 使用 EnergyTrace++ 技术测量和优化低功耗
- 所包含的基于 Java 的 GUI 允许用户采用 MSP RTC 来设计重复性的 24 小时电机运行计划
- 经测试的 20 引脚 Boosterpack 硬件设计,可在任何 TI LaunchPad 上使用
附件下载
Assembly drawing-TIDRI89.pdf
Bill of materials (BOM)-TIDRI88.pdf
Design Guide-TIDUA65.pdf
Gerber file-TIDCB88.zip
PCB layout-TIDRI90.pdf
Schematic-TIDRI87.pdf
Support software-TIDCB89.zip
原理图PDF
全屏
评论
0 / 100
查看更多
