内容介绍
内容介绍
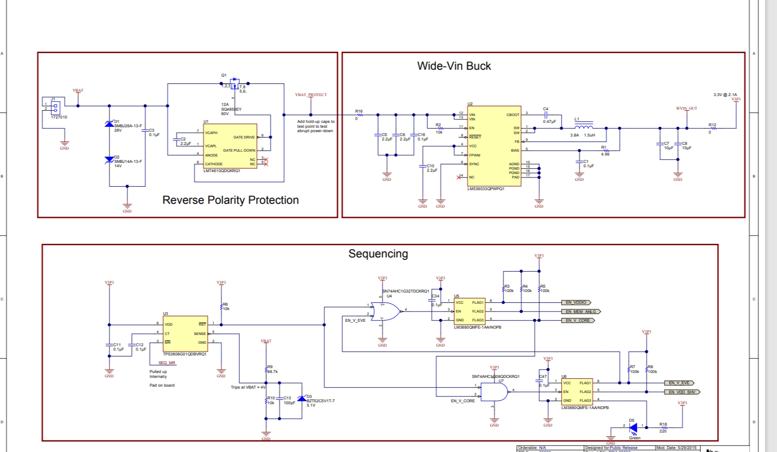
此解决方案旨在为使用 TDA3x SoC(无需汽车电池输入)的 ADAS 应用创建尺寸经优化的集成电源设计。通过仅面向需要较低处理性能的应用,我们可以选择的器件和组件将比采用较高性能处理器的系统更小。
特性
- 完整的 TDA3x、DDRx 和 CAN 电源解决方案
- 高度集成、尺寸经优化的设计
- 运行无需电池
- 完整的加电/断电定序
- 依设计满足 ISO 7637-2:2004 标准
附件下载
Bill of materials (BOM)-TIDRI98.pdf
Design Guide-TIDUAW5B.pdf
Design Guide-TIDUAW6.pdf
Gerber file-TIDCCZ0.zip
Schematic-TIDRI97.pdf
原理图PDF
全屏
评论
0 / 100
查看更多
