内容介绍
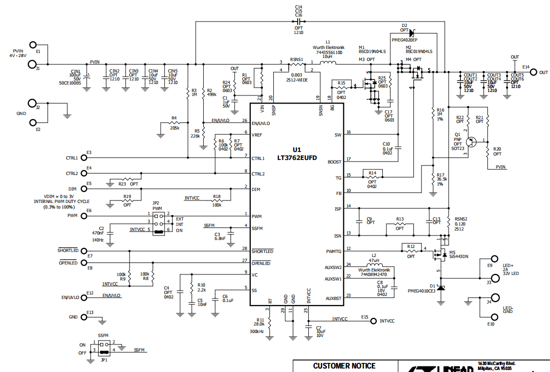
演示电路DC2342A是一款60V同步升压LED控制器,内置LT®3762。当VIN介于7V和28V之间时,可以驱动2A(最高32V)的1串LED。运行电压低至4VIN以降低ILED,同时可以耐受高达30V的VIN瞬态电流。DC2342A在约为300kHz的开关频率下运行。可通过简单的跳线开启扩频频率调制(SSFM),从而降低EMI。DC2342A设计用于在整个VIN范围内需要出色精度的高功率升压LED控制器应用。此演示电路提供对开路和短路LED条件的保护,每个条件具有其自己的标志。 LT3762具有2.5V至42V输入范围。它具有100kHz至1MHz的可调开关频率。使能SSFM使开关频率从fSW低至fSW– 30%,以降低EMI。可通过从LT3762的SSFM引脚至接地放置一个电容来设置SSFM速度,并通过将此引脚短接到GND来禁用。DC2342A具有简单的跳线选项,以使能/禁用扩频频率调制。 LT3762可以使用外部PWM信号以及内部生成的PWM信号进行PWM调光。LT3762的PWM至GND电容可设置PWM频率,同时PWM占空比由DIM端子上的电压确定。在0V至3V电压范围内,VDIM提供0.4%至97% PWM占空比。DC2342A有一个跳线,可设置为在内部生成的PWM信号、外部生成的PWM信号以及无PWM信号(100%开)之间切换。在PWM调光和扩频使能的情况下运行时,扩频本身可通过PWM信号对齐,以实现无闪烁操作。DC2342A也可通过在其两个CTRL转台的任一转台上放置一个电压源来进行模拟调光。 小型陶瓷输入和输出电容用于节省空间和成本。如果LED串开路,开路LED过压保护将使用IC的恒压调节环路将输出调节至35.5V左右,尽管它可能在由开路导致的瞬态期间几乎达到40V峰值。从LED+至GND存在一个保护二极管,以防在短路期间出现负振铃。 可通过几个简单的电阻选项调整电路上的欠压闭锁。可对DC2342A进行进一步修改,以便重新配置采用升压拓扑的电路,从而用作降压模式或升降压模式LED驱动器。详情请咨询工厂。 LT3762数据手册提供了该器件、操作原理和应用信息的完整描述。必须结合演示电路DC2342A的此演示手册阅读该数据手册。LT3762EUFD采用28引脚4mm × 5mm QFN塑料封装,具有散热增强型接地焊盘。为实现更大散热性能,适当设计电路板布局至关重要。
