内容介绍
内容介绍
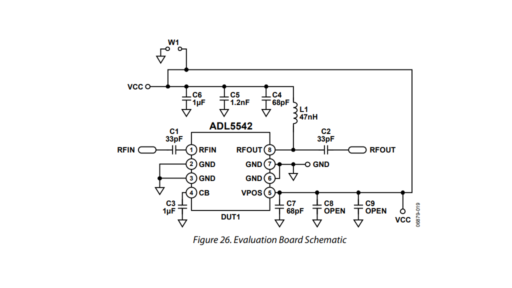
项目来源:ADL5542 评估板
ADL5542是一款20 dB固定增益的RF/IF增益模块,频率覆盖范围从50 MHz至6 GHz,适用于多种CATV、移动通信和仪器设备。该模块提供稳定的增益,内部匹配至50 Ω,并且具有出色的输入和输出回波损耗特性。ADL5542采用InGaP HBT工艺制造,具有1 kV的ESD等级,并使用3 mm × 3 mm的LFCSP封装,底部带有暴露的散热垫片,以实现优异的热阻抗。模块工作在单5 V电源下,电流消耗为93 mA,并在-40°C至+85°C的温度范围内完全指定。此外,还提供了一个完全符合RoHS标准的评估板。ADL5541作为配套部件,提供15 dB的增益,且引脚兼容。
附件下载
ADL5542 Gerber 文件.zip
ADL5542:20 MHz to 6 GHz RF/IF Gain Block Data Sheet (Rev. C).pdf
评论
0 / 100
查看更多
