内容介绍
内容介绍
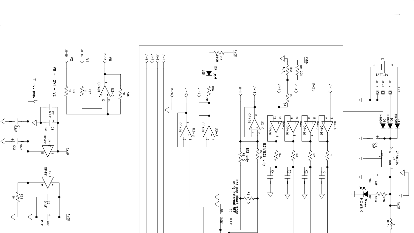
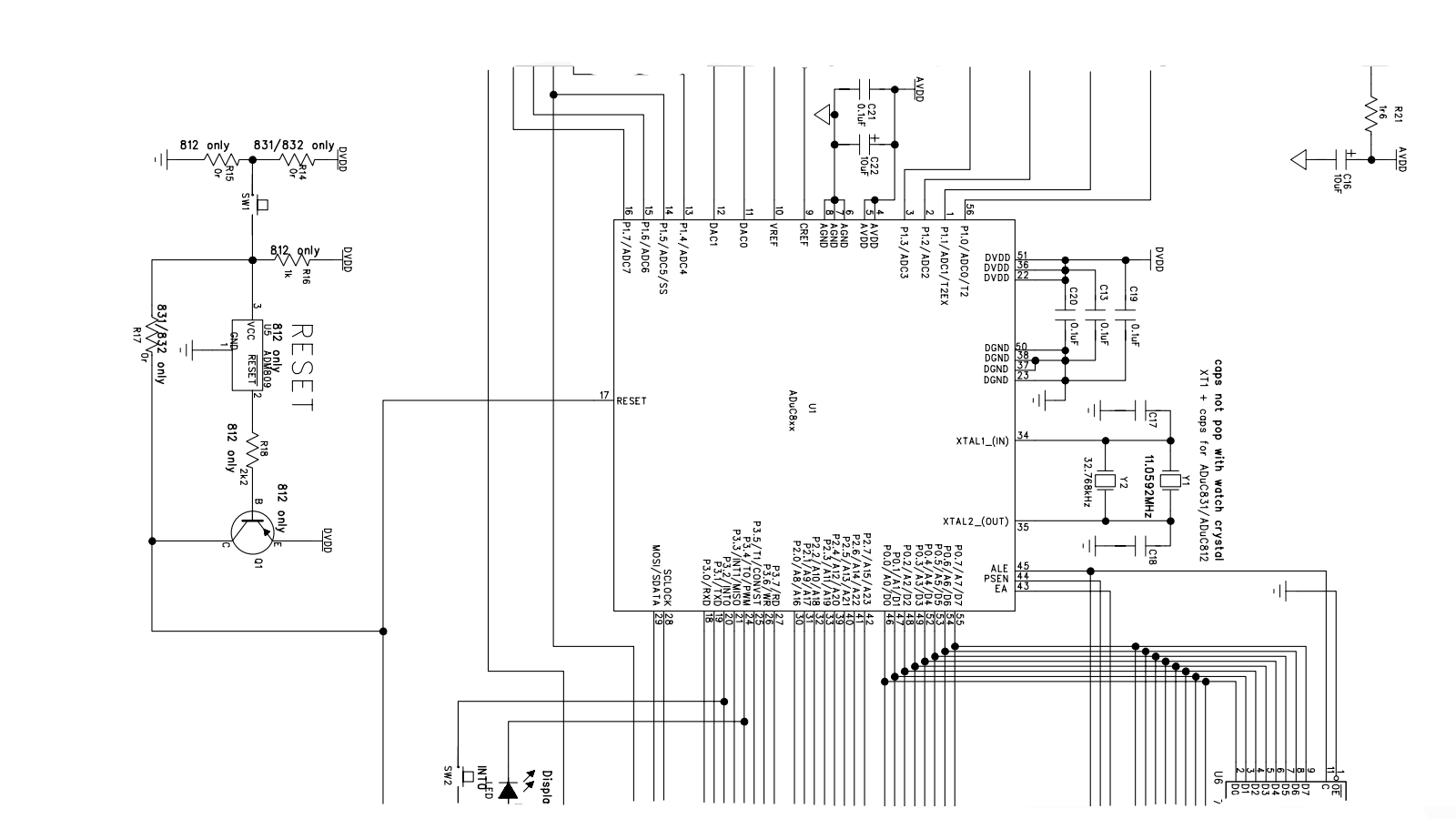
ADuC812是一款集成了8通道12位模数转换器(ADC)、双通道12位数模转换器(DAC)和8KB闪存的微控制器单元(MCU)。它属于MicroConverter®系列,并且有一个专用的评估板,该评估板配备了必要的接口和支持电路,以便于开发者评估和开发基于ADuC812的应用程序。评估板提供了丰富的接口,包括电源、复位、RS232串行通信以及SPI/I2C等通信接口。
附件下载
AN-1074: Understanding the Serial Download Protocol (Formerly uC004).pdf
Evaluation Board.pdf
UG-041:ADuC8xx评估套件用户入门指南.pdf
UC-006: A 4-wire UART-to-PC Interface.pdf
MicroConverter® On-Chip Download/Debug Kernel.pdf
MicroConverter Development Tools.pdf
Schematic and Board Outline.pdf
原理图PDF
全屏
评论
0 / 100
查看更多
