内容介绍
内容介绍
项目来源:ADP7182评估板
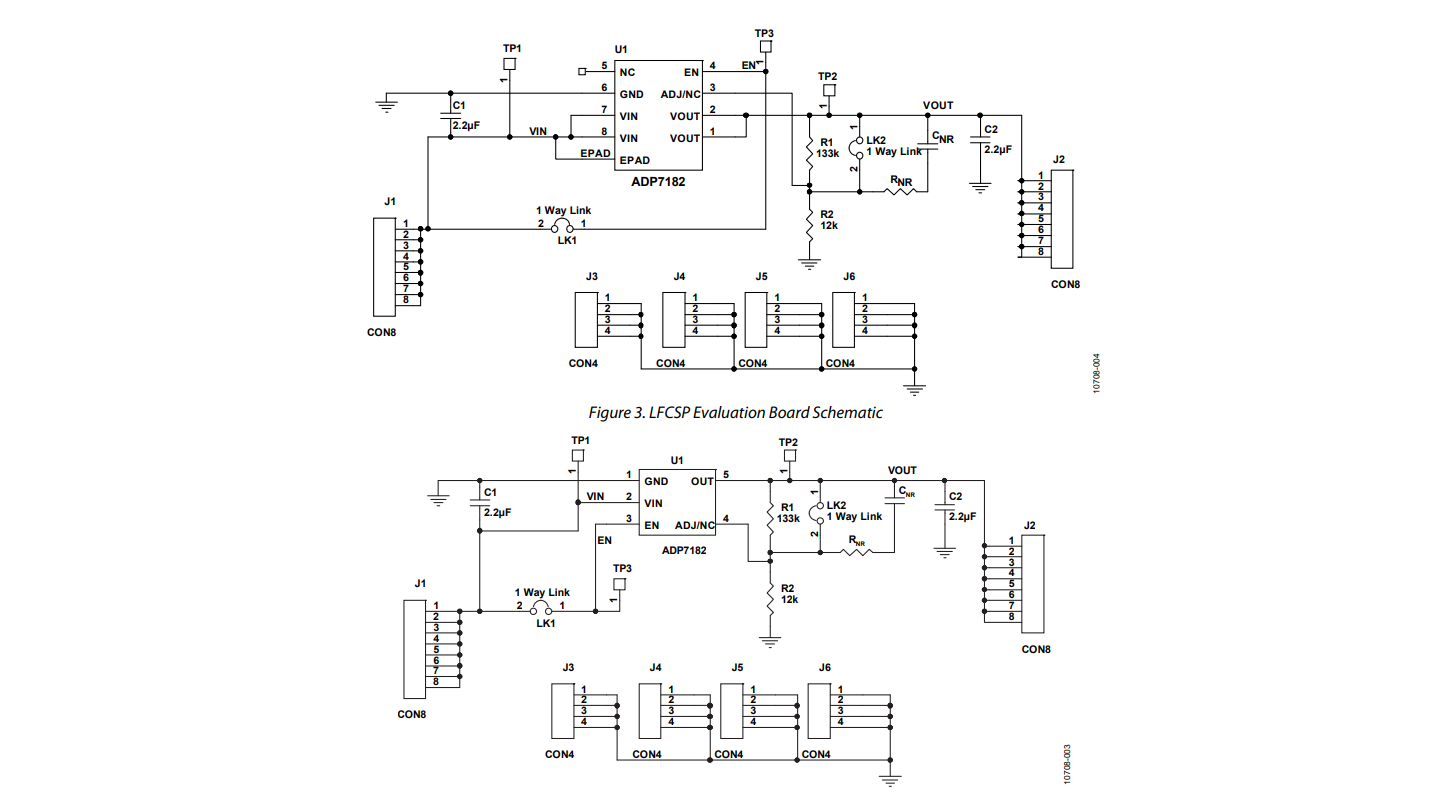
ADP7182评估板是专为展示ADP7182系列线性稳压器性能而设计的。通过使用单一电压源、电压表、电流表以及负载电阻,用户可以方便地进行线路和负载调节、压差和接地电流等基本器件测量。若需获取有关ADP7182线性稳压器的详细信息,请参阅可在www.analog.com上获得的ADP7182数据手册。
附件下载
UG-412:评估低噪声、线性调节器ADP7182.pdf
评论
0 / 100
查看更多

ADP7182评估板是专为展示ADP7182系列线性稳压器性能而设计的。通过使用单一电压源、电压表、电流表以及负载电阻,用户可以方便地进行线路和负载调节、压差和接地电流等基本器件测量。若需获取有关ADP7182线性稳压器的详细信息,请参阅可在www.analog.com上获得的ADP7182数据手册。