内容介绍
内容介绍
项目来源:ADP1655评估板
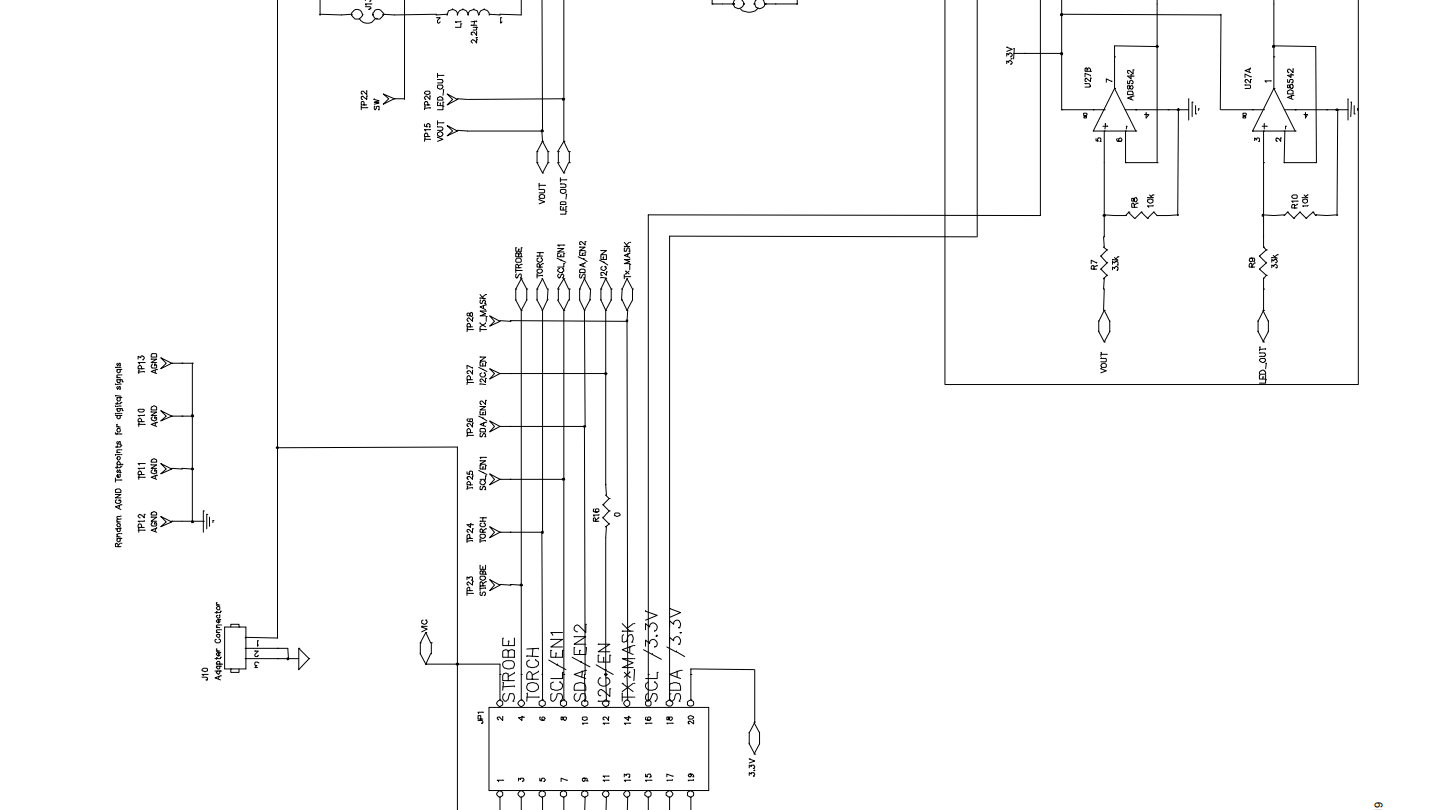
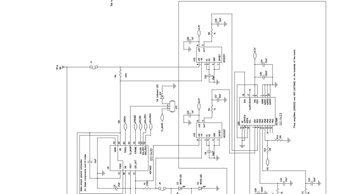
该评估板系统由母板和子板两部分组成,设计用于快速评估ADP1655芯片的关键参数。母板负责从计算机的USB端口提供I2C信号,并生成供给子板的I/O电压与数字信号。子板设计有多个跳线和测试点,便于进行详细的性能测试。对于温度测量,子板可以直接插入母板的接口或者通过附带的扁平电缆与母板相连。母板上装备有3.3V的稳压器和两个可调稳压器,分别用于VDDIO电压和ADP1655的供电电压VIC。
附件下载
ADP1655: Evaluation Board (EVAL-ADP1655).pdf
评论
0 / 100
查看更多
