内容介绍
内容介绍
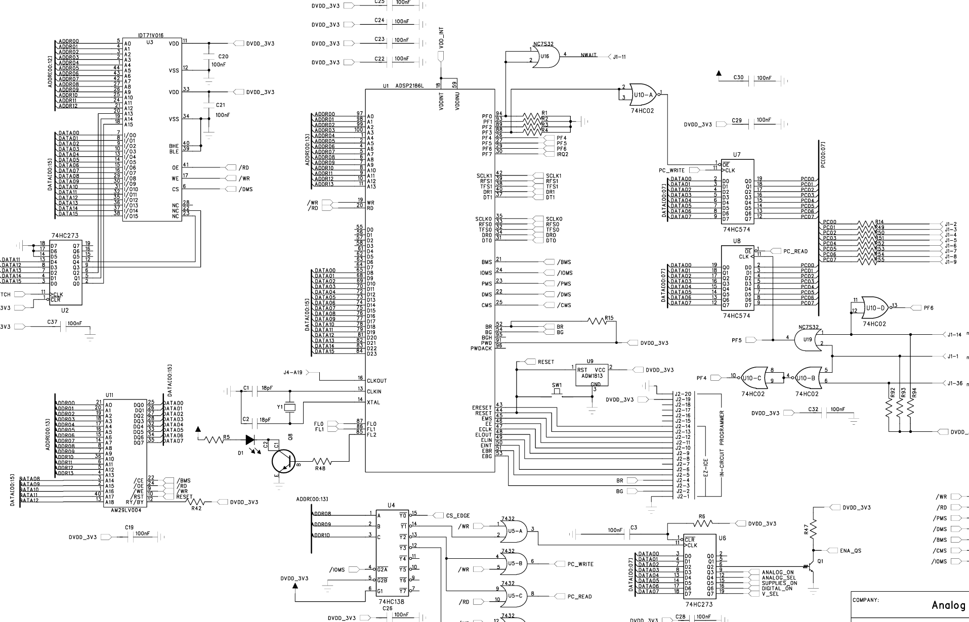
项目来源:AD7091 评估板
EVAL-AD7091SDZ是一款为AD7091模数转换器设计的全功能评估套件。它支持独立工作模式,并能与EVAL-SDP-CB1Z系统开发平台配套使用,以实现更深入的性能分析。用户可通过附带的软件工具对ADC进行全面的性能评估,软件中还包含了技术说明文档,指导用户如何设置和操作评估板,无论是在独立模式还是与系统开发平台结合使用。在独立模式下,推荐使用ADZS-BRKOUT-EX3信号分线板来连接各个控制引脚。EVAL-SDP-CB1Z控制器板作为配件单独列出,如果用户尚未购买此控制器板,为了获得完整的评估体验,建议一并购买。
附件下载
设计工程文件-Eval_AD7091_Design_Files.zip
UG-447 Evaluation Board for the AD7091 Analog-to-Digital Converter.pdf
AD7091 Evaluation Board Design Files.zip
评论
0 / 100
查看更多
