内容介绍
内容介绍
项目来源:AD5390 评估板
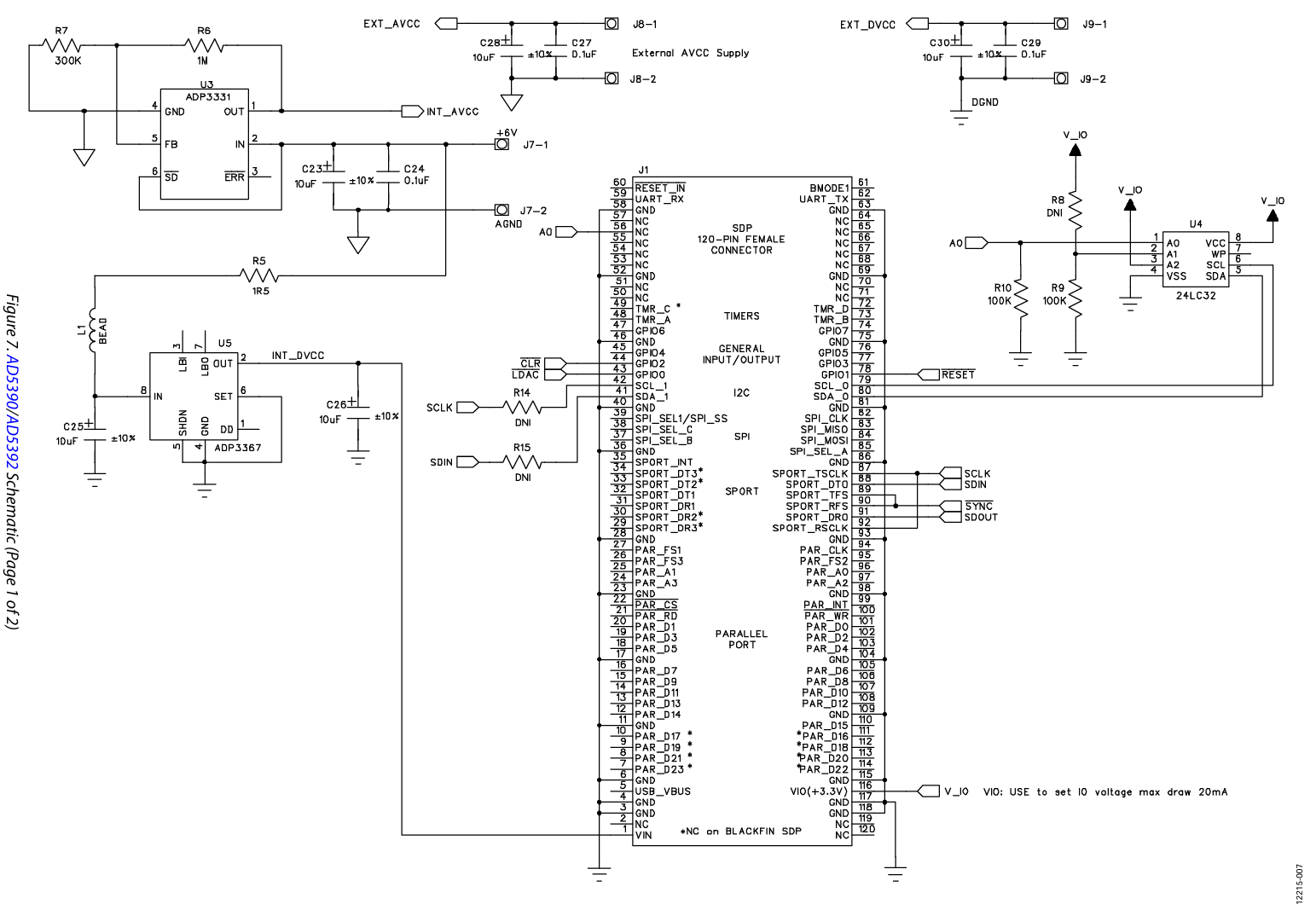
EVAL-AD5390EBZ/EVAL-AD5392EBZ评估板是一款专为快速评估AD5390/AD5392系列16/8通道、14位电压输出数字模拟转换器(DAC)而设计的完整功能测试平台。该评估板配备了片上参考电压源,并提供多种连接选项,支持通过PC进行控制。用户可以通过与Analog Devices公司的系统演示平台(SDP)配合使用的PC软件来实现对评估板的完全控制,包括所有功能的测试和操作。评估板通过SDP板的USB端口与PC连接,提供了易于使用的软件,允许用户对AD5390/AD5392的寄存器进行编程,设置DAC输出电压,并写入控制寄存器。此外,评估板也可以独立于SDP板使用,通过直接连接数字控制信号和电源供应来操作。
附件下载
UG-681评估片内集成基准电压源的18通道、14位电压输出DAC AD5390AD5392.pdf
评论
0 / 100
查看更多
